Enkoder, artımlı,
Çözünürlük: 16384 PPR'ya kadar,
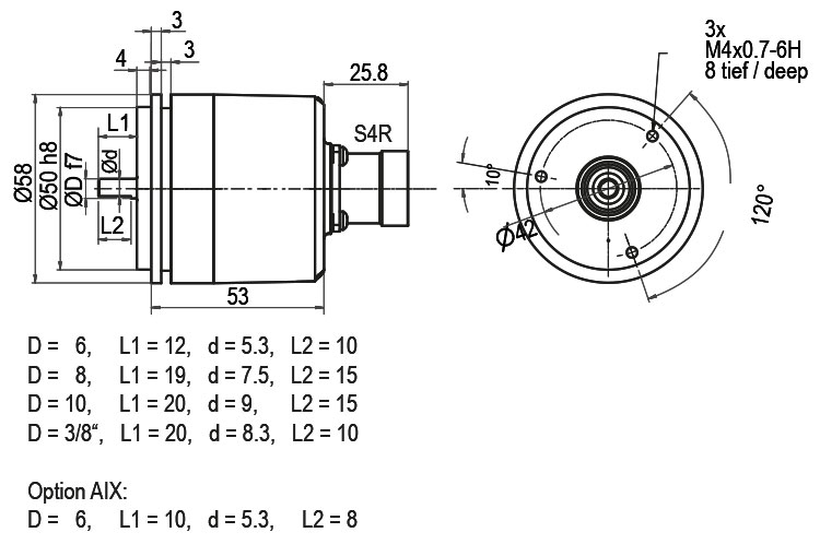
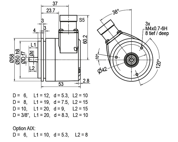
Senkron Flanş / Gövde Çapı 58 mm
Mil Çapı: Ø 6 mm, Ø 8 mm, Ø 3/8" (9.525 mm), Ø 10 mm,
Koruma sınıfı tam IP67'ye kadar,
Çıkış Devresi HTL,
İşlev ilkesi: manyetik.
- Standart endüstriyel enkoder
- Koruma sınıfı IP67; şaft girişinde IP65
(isteğe bağlı IP67 çepeçevre) - Yüksek parazit koruması
- Diğer seçenekler
Not: Dikkat: Seçenek yok AAO = Tam IP67
Şaft uzunluğu: L: 12 mm
Azami şaft yükü, radyal: 125 N
Azami şaft yükü, eksenel: 120 N
Not: Dikkat: Seçenek yok AAO = Tam IP67
Şaft uzunluğu: L: 19 mm
Azami şaft yükü, radyal: 125 N
Azami şaft yükü, eksenel: 120 N
Not: Dikkat: Seçenek yok AAO = Tam IP67
Şaft uzunluğu: L: 20 mm
Azami şaft yükü, radyal: 220 N
Azami şaft yükü, eksenel: 120 N
Şaft uzunluğu: L: 20 mm
Azami şaft yükü, radyal: 220 N
Azami şaft yükü, eksenel: 120 N
Öz güç tüketimi: typ. 40 mA
Çevre verileri
ESD (DIN EN 61000-4-2):
8 kV
Burst (DIN EN 61000-4-4):
2 kV
Bir EMC kapatır:
DIN EN 61000-6-2
DIN EN 61000-6-3
Titreşim:
(DIN EN 60068-2-6)
50 m/s2 (10 Hz ila 2000 Hz)
Darbe:
(DIN EN 60068-2-27)
1000 m/s2 (6 ms)
Electrial Safety:
DIN VDE 0160 uyarınca
Customs information
Customs tariff number:
90318020
Country of origin:
Germany
Talep ettiğiniz STEP dosyası belirtilmemiş:
STEP dosyası talebi burada
| Tanımlama | ABN ters çevirim mümkün | |
|---|---|---|
| L2 | eksenel, Ekran enkoder gövdesine kabloyla bağlı | ● |
| L2 | L2 | |
| Devre | N35 | M35 |
| GND | WH | WH |
| (+) Vcc | BN | BN |
| A | GN | GN |
| B | YE | YE |
| N | GY | GY |
| - | - | - |
| A ters çev. | - | RD |
| B ters çev. | - | BK, (BU ile ACA) |
| N ters çev. | - | VT |
| Ekran | Tel | Tel |
Talep ettiğiniz STEP dosyası belirtilmemiş:
STEP dosyası talebi burada
| Tanımlama | ABN ters çevirim mümkün | |
|---|---|---|
| L3 | radyal, Ekran enkoder gövdesine kabloyla bağlı | ● |
| L3 | L3 | |
| Devre | N35 | M35 |
| GND | WH | WH |
| (+) Vcc | BN | BN |
| A | GN | GN |
| B | YE | YE |
| N | GY | GY |
| - | - | - |
| A ters çev. | - | RD |
| B ters çev. | - | BK, (BU ile ACA) |
| N ters çev. | - | VT |
| Ekran | Tel | Tel |
Talep ettiğiniz STEP dosyası belirtilmemiş:
STEP dosyası talebi burada
| Tanımlama | ABN ters çevirim mümkün | |
|---|---|---|
| K1 | radyal, Ekran açık (IP40) | ● |
| K1 | K1 | |
| Devre | N35 | M35 |
| GND | WH | WH |
| (+) Vcc | BN | BN |
| A | GN | GN |
| B | YE | YE |
| N | GY | GY |
| - | - | - |
| A ters çev. | - | RD |
| B ters çev. | - | BK |
| N ters çev. | - | VT |
| Ekran | Tel | Tel |
Talep ettiğiniz STEP dosyası belirtilmemiş:
STEP dosyası talebi burada
| Tanımlama | ABN ters çevirim mümkün | |
|---|---|---|
| SI5 | eksenel, 5 kutuplu, Fiş enkoder gövdesine kabloyla bağlı | - |
| SI6 | eksenel, 6 kutuplu, Fiş enkoder gövdesine kabloyla bağlı | - |
| SI8 | eksenel, 8 kutuplu, Fiş enkoder gövdesine kabloyla bağlı | ● |
| SI12 | eksenel, 12 kutuplu, Fiş enkoder gövdesine kabloyla bağlı | ● |
| SI5 | SI6 | SI8 | SI8 | SI12 | SI12 | |
| 5 kutuplu | 6 kutuplu | 8 kutuplu | 8 kutuplu | 12 kutuplu | 12 kutuplu | |
| Konektör çizimi | ![]() | ![]() | ![]() | ![]() | ||
| Devre | N35 | N35 | N35 | M35 | N35 | M35 |
| GND | 1 | 6 | 1 | 1 | K, L | K, L |
| (+) Vcc | 2 | 1 | 2 | 2 | M, B | M, B |
| A | 3 | 2 | 3 | 3 | E | E |
| B | 4 | 4 | 4 | 4 | H | H |
| N | 5 | 3 | 5 | 5 | C | C |
| - | - | - | - | - | - | - |
| A ters çev. | - | - | - | 6 | - | F |
| B ters çev. | - | - | - | 7 | - | A |
| N ters çev. | - | - | - | 8 | - | D |
| bağlı değil | - | 5 | 6, 7, 8 | - | A, D, F, G, J | G, J |
| Ekran | - | - | - | - | - | - |
Talep ettiğiniz STEP dosyası belirtilmemiş:
STEP dosyası talebi burada
| Tanımlama | ABN ters çevirim mümkün | |
|---|---|---|
| SH5 | radyal, 5 kutuplu, Fiş enkoder gövdesine kabloyla bağlı | - |
| SH6 | radyal, 6 kutuplu, Fiş enkoder gövdesine kabloyla bağlı | - |
| SH8 | radyal, 8 kutuplu, Fiş enkoder gövdesine kabloyla bağlı | ● |
| SH12 | radyal, 12 kutuplu, Fiş enkoder gövdesine kabloyla bağlı | ● |
| SH5 | SH6 | SH8 | SH8 | SH12 | SH12 | |
| 5 kutuplu | 6 kutuplu | 8 kutuplu | 8 kutuplu | 12 kutuplu | 12 kutuplu | |
| Konektör çizimi | ![]() | ![]() | ![]() | ![]() | ||
| Devre | N35 | N35 | N35 | M35 | N35 | M35 |
| GND | 1 | 6 | 1 | 1 | K, L | K, L |
| (+) Vcc | 2 | 1 | 2 | 2 | M, B | M, B |
| A | 3 | 2 | 3 | 3 | E | E |
| B | 4 | 4 | 4 | 4 | H | H |
| N | 5 | 3 | 5 | 5 | C | C |
| - | - | - | - | - | - | - |
| A ters çev. | - | - | - | 6 | - | F |
| B ters çev. | - | - | - | 7 | - | A |
| N ters çev. | - | - | - | 8 | - | D |
| bağlı değil | - | 5 | 6, 7, 8 | - | A, D, F, G, J | G, J |
| Ekran | - | - | - | - | - | - |
Talep ettiğiniz STEP dosyası belirtilmemiş:
STEP dosyası talebi burada
| Tanımlama | ABN ters çevirim mümkün | |
|---|---|---|
| S2 | eksenel, 7 kutuplu, Fiş enkoder gövdesine kabloyla bağlı | - |
Talep ettiğiniz STEP dosyası belirtilmemiş:
STEP dosyası talebi burada
| Tanımlama | ABN ters çevirim mümkün | |
|---|---|---|
| S3 | radyal, 7 kutuplu, Fiş enkoder gövdesine kabloyla bağlı | - |
Talep ettiğiniz STEP dosyası belirtilmemiş:
STEP dosyası talebi burada
| Tanımlama | ABN ters çevirim mümkün | |
|---|---|---|
| S4 | eksenel, 12 kutuplu, Fiş enkoder gövdesine kabloyla bağlı | ● |
Talep ettiğiniz STEP dosyası belirtilmemiş:
STEP dosyası talebi burada
| Tanımlama | ABN ters çevirim mümkün | |
|---|---|---|
| S5 | radyal, 12 kutuplu, Fiş enkoder gövdesine kabloyla bağlı | ● |
Talep ettiğiniz STEP dosyası belirtilmemiş:
STEP dosyası talebi burada
| Tanımlama | ABN ters çevirim mümkün | |
|---|---|---|
| S4R | eksenel, 12 kutuplu, Fiş enkoder gövdesine kabloyla bağlı | ● |
Talep ettiğiniz STEP dosyası belirtilmemiş:
STEP dosyası talebi burada
| Tanımlama | ABN ters çevirim mümkün | |
|---|---|---|
| S5R | radyal, 12 kutuplu, Fiş enkoder gövdesine kabloyla bağlı | ● |
Talep ettiğiniz STEP dosyası belirtilmemiş:
STEP dosyası talebi burada
| Tanımlama | ABN ters çevirim mümkün | |
|---|---|---|
| SB5 | eksenel, 5 kutuplu, Fiş enkoder gövdesine kabloyla bağlı | - |
| SB8 | eksenel, 8 kutuplu, Fiş enkoder gövdesine kabloyla bağlı | ● |
Talep ettiğiniz STEP dosyası belirtilmemiş:
STEP dosyası talebi burada
| Tanımlama | ABN ters çevirim mümkün | |
|---|---|---|
| SC5 | radyal, 5 kutuplu, Fiş enkoder gövdesine kabloyla bağlı | - |
| SC8 | radyal, 8 kutuplu, Fiş enkoder gövdesine kabloyla bağlı | ● |
1-16384 PPR
Enkoder WDGI 58A yüksek IP67 koruma sınıfıyla da teslim edilebilir.
(full IP67 only connection SB, SC, L2 or L3 version; not cable connection K1 = IP40).
Azami çalışma hızı: 3500 dev/dak.
İzin verilen yatak yükleri: radyal 110 N, eksenel 100 N
Başlangıç torku: oda sıcaklığında yakl. 4 Ncm
WDGI 58A enkoder basınç dengeleme diyaframıyla tedarik edilebilir. Bu membran yüksek rutubet ortamında enkoder gövdesine su girmesini engeller.
Koruma sınıfı IP67'ye kadar; sıcaklık aralığı ve tuz spreyi direnci değişmez. DIN EN ISO2812-1 uyarınca kimyasallara ve solventlere dirençli.
Enkoder WDGI 58A şaft: Ø 6 mm kısaltılmış şaft L = 10 mm ile de mevcuttur.
Sipariş sırasında, lütfen sipariş numarasını boyu desimetre olarak belirten 3 basamaklı bir sayıyla tamamlayın.
Örnek: 5 m kablo uzunluğu = 050

Artımlı enkoder için sayaç, 1 MHz
Artımlı enkoder sinyalleri için Yüksek Hızlı konum sayaçları ve diferansiyel sayaçlar

Female connector KI-5-67:
Suitable for encoder with sensor connector outlet SB5 and SC5, 5 pin, IP67
Ready-made shielded connection cable with female cable connector straight,
shield connected.

Female connector KIA-5-67:
Suitable for encoder with sensor connector outlet SB5 and SC5, 5 pin, IP67
Ready-made shielded connection cable with female cable connector angular,
shield connected.

Female connector KI-8-67:
Suitable for encoder with sensor connector outlet SB8 and SC8, 8 pin, IP67
Ready-made shielded connection cable with female cable connector straight,
shield connected.

Female connector KIA-8-67:
Suitable for encoder with sensor connector outlet SB8 and SC8, 8 pin, IP67
Ready-made shielded connection cable with female cable connector angular,
shield connected.

Gergi eksantriği SP-3-00
Artımlı döner enkoder WDG 40A, 50B, 58T, WDGI 58A, 58B, 58C, 58D, 58K, 63B, WDGP 36A, WDGP 58A, WDGP 58B uve mutlak döner enkoder WDGA 36A, WDGA 58A, WDGA 58B'ye uygun.

Adaptör flanşı MG58A
Artımlı döner enkoder WDGI 58A ve mutlak döner enkoder WDGA 58A'ye uygun.

Yaylı rondela tipi kaplinler FSK22
Ø 6 mm, Ø 10 mm veya Ø 12 mm şaftlı döner enkoder için

Körük kaplinler BK29
Ø 6 mm, 8 mm, 10 mm veya 12 mm şaftlı döner enkoder için*.
Azami şaft deplasmanı, radyal: ± 0,25 mm veya ± 0,30 mm*
Torsiyon yayı gerginliği: 150 Nm/rad veya 130 Nm/rad*

Körük kaplinler FB29B
Ø 4 mm, 6 mm, 8 mm, 10 mm veya Ø 12 mm şaftlı döner enkoder için

Çift döngülü kaplin DSK29
Ø 6 mm, 8 mm, veya 10 mm şaftlı döner enkoder için.
Hareketli aksam yok, ısıl ve elektrik yalıtımlı, sessiz çalıma, bakım gerektirmez.
Aşağıdakilere güçlü direnç:
Benzin, yağ, benzen, toluen, aromatik veya aromatik olmayan hidrokarbonlar, alkoller, glikol, solventler ve birçok kimyasal.

Çift döngülü kaplin DSK38
Ø 6 mm, 8 mm, 10 mm veya 12 mm şaftlı döner enkoder için.
Hareketli aksam yok, ısıl ve elektrik yalıtımlı, sessiz çalıma, bakım gerektirmez.
Aşağıdakilere güçlü direnç:
Benzin, yağ, benzen, toluen, aromatik veya aromatik olmayan hidrokarbonlar, alkoller, glikol, solventler ve birçok kimyasal.

Ölçüm tekerlekleri MRA200KR
Kapsam 200 mm,
Kaplama: Tırtıllı
Kullanım alanları: Karton, ahşap, tekstil ürünleri, kauçuk, yumuşak sentetikler.
Ø 6 mm, Ø 10 mm veya Ø 12 mm şaftlı döner enkoder için.

Ölçüm tekerlekleri MR200KH
Kapsam 200 mm,
Kaplama: Sentetik (hytrel, düz)
Kullanım alanları: Plastik, boyalı yüzeyler, kağıt, karton, ahşap, metal, tekstil.
Ø 6 mm veya Ø 10 mm şaftlı döner enkoder için.

Ölçüm tekerlekleri MRA200KH
Kapsam 200 mm,
Kaplama: Sentetik (poliüretan, düz)
Kullanım alanları: greslenmiş metaller, çelik profiller, cilalı yüzeyler, sentetik ürünler, kağıt, karton, ahşap, tekstil ürünleri, tel, deri.
Ø 6 mm, Ø 10 mm veya Ø 12 mm şaftlı döner enkoder için.

Ölçüm tekerlekleri MRA200NG
Kapsam 200 mm,
Kaplama: Sentetik (Poliüretan, yumrulu)
Kullanım alanları: kaba tekstil ürünleri, halı, kablo ölçümü, yapağı, kağıt, karton, ahşap, sentetik ürünler.
Ø 6 mm, Ø 10 mm veya Ø 12 mm şaftlı döner enkoder için.

Ölçüm tekerlekleri MR200KG
Kapsam 200 mm,
Kaplama: Sentetik (hytrel, oluklu)
Kullanım alanları: Plastik, boyalı yüzeyler, kağıt, karton, ahşap, metal, tekstil.
Ø 6 mm veya Ø 10 mm şaftlı döner enkoder için.

Ölçüm tekerlekleri MRA200KG
Kapsam 200 mm,
Kaplama: Sentetik (poliüretan, oluklu)
Kullanım alanları: Greslenmemiş metal, cilalı yüzeyler, kağıt, karton, ahşap tekstil ürünleri, cam, zemin kaplamaları.
Ø 6 mm, Ø 10 mm veya Ø 12 mm şaftlı döner enkoder için.
Here you find a list of our distributors worldwide


























































