Enkoder, artımlı,
Çözünürlük: 25000 PPR'ya kadar,
Çeyrek flanş ▢ 67,3 mm, Gövde Çapı
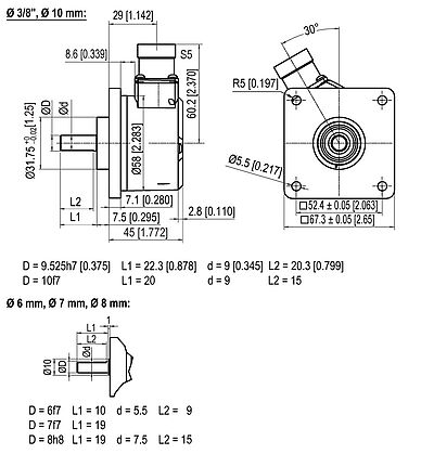
Şaft Ø: 6 mm, 7 mm, 8 mm, 3/8" (9.525 mm), 10 mm;
Talep üzerine Ø 12 mm,
Koruma sınıfı tam IP67'ye kadar,
Çıkış Devresi HTL / TTL / RS 422 Uyumlu / 1 Vpp Sin/Cos,
İşlev ilkesi: optik.

- Özellikle çevre dostu toz kaplamalı alüminyum pres döküm gövde
- 25000 impulsa kadar yüksek değerli elektronikle
- Koruma sınıfı IP67; şaft girişinde IP65
- 10 VDC ila 30 VDC'de yüksek bağlantı koruması
- 600 kHz/2 MHz'e kadar yüksek çıkış frekansı
- İsteğe bağlı:
-40 °C ila +85 °C,
Koruma sınıfı tam IP67'ye kadar,
Basınç dengeleme diyaframı
Şaft uzunluğu: L: 10 mm
Azami şaft yükü, radyal: 220 N
Azami şaft yükü, eksenel: 120 N
Not: Dikkat: Seçenek yok AAO = Tam IP67
Şaft uzunluğu: L: 19 mm
Azami şaft yükü, radyal: 80 N
Azami şaft yükü, eksenel: 50 N
Şaft uzunluğu: L: 19 mm
Azami şaft yükü, radyal: 220 N
Azami şaft yükü, eksenel: 120 N
Şaft uzunluğu: L: 22,3 mm
Azami şaft yükü, radyal: 220 N
Azami şaft yükü, eksenel: 120 N
Şaft uzunluğu: L: 20 mm
Azami şaft yükü, radyal: 220 N
Azami şaft yükü, eksenel: 120 N
Öz güç tüketimi: typ. 70 mA (100 mA sadece F05, P05)
Öz güç tüketimi: typ. 70 mA
Öz güç tüketimi: typ. 70 mA (100 mA sadece F24, P24, 645)
Çevre verileri
ESD (DIN EN 61000-4-2):
8 kV
Burst (DIN EN 61000-4-4):
2 kV
Bir EMC kapatır:
DIN EN 61000-6-2
DIN EN 61000-6-3
Titreşim:
(DIN EN 60068-2-6)
50 m/s2 (10 Hz ila 2000 Hz)
Darbe:
(DIN EN 60068-2-27)
1000 m/s2 (6 ms)
Electrial Safety:
DIN VDE 0160 uyarınca
Customs information
Customs tariff number:
90318020
Country of origin:
Germany
1 Vpp: -10 °C ila +70 °C
Talep ettiğiniz STEP dosyası belirtilmemiş:
STEP dosyası talebi burada
| Tanımlama | ABN ters çevirim mümkün | |
|---|---|---|
| K2 | eksenel, Ekran açık | ● |
| L2 | eksenel, Ekran enkoder gövdesine kabloyla bağlı | ● |
| K2, L2 | K2, L2 | L2 | |
| Devre | F05, H05, F24, H24, H30 | P05, R05, P24, R24, 245, 645, R30 | SIN |
| GND | WH | WH | WH |
| (+) Vcc | BN | BN | BN |
| A | GN | GN | GN |
| B | YE | YE | GY |
| N | GY | GY | - |
| - | - | - | - |
| A ters çev. | - | RD | YE |
| B ters çev. | - | BK, (BU ile ACA) | PK |
| N ters çev. | - | VT | - |
| Ekran | Tel | Tel | Tel |
Talep ettiğiniz STEP dosyası belirtilmemiş:
STEP dosyası talebi burada
| Tanımlama | ABN ters çevirim mümkün | |
|---|---|---|
| K3 | radyal, Ekran açık | ● |
| L3 | radyal, Ekran enkoder gövdesine kabloyla bağlı | ● |
| K3, L3 | K3, L3 | L3 | |
| Devre | F05, H05, F24, H24, H30 | P05, R05, P24, R24, 245, 645, R30 | SIN |
| GND | WH | WH | WH |
| (+) Vcc | BN | BN | BN |
| A | GN | GN | GN |
| B | YE | YE | GY |
| N | GY | GY | - |
| - | - | - | - |
| A ters çev. | - | RD | YE |
| B ters çev. | - | BK, (BU ile ACA) | PK |
| N ters çev. | - | VT | - |
| Ekran | Tel | Tel | Tel |
Talep ettiğiniz STEP dosyası belirtilmemiş:
STEP dosyası talebi burada
| Tanımlama | ABN ters çevirim mümkün | |
|---|---|---|
| SI5 | eksenel, 5 kutuplu, Fiş enkoder gövdesine kabloyla bağlı | - |
| SI6 | eksenel, 6 kutuplu, Fiş enkoder gövdesine kabloyla bağlı | - |
| SI8 | eksenel, 8 kutuplu, Fiş enkoder gövdesine kabloyla bağlı | ● |
| SI12 | eksenel, 12 kutuplu, Fiş enkoder gövdesine kabloyla bağlı | ● |
| SI5 | SI6 | SI8 | SI8 | SI12 | SI12 | |
| 5 kutuplu | 6 kutuplu | 8 kutuplu | 8 kutuplu | 12 kutuplu | 12 kutuplu | |
| Konektör çizimi | ![]() | ![]() | ![]() | ![]() | ||
| Devre | F05, H05, F24, H24, H30 | F05, H05, F24, H24, H30 | P05, R05, P24, R24, R30, 245, 645 | SIN | P05, R05, P24, R24, 245, 645, R30 | SIN |
| GND | 1 | 6 | 1 | 1 | K, L | K, L |
| (+) Vcc | 2 | 1 | 2 | 2 | M, B | M, B |
| A | 3 | 2 | 3 | 3 | E | E |
| B | 4 | 4 | 4 | 4 | H | H |
| N | 5 | 3 | 5 | - | C | - |
| - | - | - | - | - | - | - |
| A ters çev. | - | - | 6 | 6 | F | F |
| B ters çev. | - | - | 7 | 7 | A | A |
| N ters çev. | - | - | 8 | - | D | - |
| bağlı değil | - | 5 | - | 5, 8 | G, J | D, G, J |
| Ekran | - | - | - | - | - | - |
Talep ettiğiniz STEP dosyası belirtilmemiş:
STEP dosyası talebi burada
| Tanımlama | ABN ters çevirim mümkün | |
|---|---|---|
| SH5 | radyal, 5 kutuplu, Fiş enkoder gövdesine kabloyla bağlı | - |
| SH6 | radyal, 6 kutuplu, Fiş enkoder gövdesine kabloyla bağlı | - |
| SH8 | radyal, 8 kutuplu, Fiş enkoder gövdesine kabloyla bağlı | ● |
| SH12 | radyal, 12 kutuplu, Fiş enkoder gövdesine kabloyla bağlı | ● |
| SH5 | SH6 | SH8 | SH8 | SH12 | SH12 | |
| 5 kutuplu | 6 kutuplu | 8 kutuplu | 8 kutuplu | 12 kutuplu | 12 kutuplu | |
| Konektör çizimi | ![]() | ![]() | ![]() | ![]() | ||
| Devre | F05, H05, F24, H24, H30 | F05, H05, F24, H24, H30 | P05, R05, P24, R24, R30, 245, 645 | SIN | P05, R05, P24, R24, 245, 645, R30 | SIN |
| GND | 1 | 6 | 1 | 1 | K, L | K, L |
| (+) Vcc | 2 | 1 | 2 | 2 | M, B | M, B |
| A | 3 | 2 | 3 | 3 | E | E |
| B | 4 | 4 | 4 | 4 | H | H |
| N | 5 | 3 | 5 | - | C | - |
| - | - | - | - | - | - | - |
| A ters çev. | - | - | 6 | 6 | F | F |
| B ters çev. | - | - | 7 | 7 | A | A |
| N ters çev. | - | - | 8 | - | D | - |
| bağlı değil | - | 5 | - | 5, 8 | G, J | D, G, J |
| Ekran | - | - | - | - | - | - |
Talep ettiğiniz STEP dosyası belirtilmemiş:
STEP dosyası talebi burada
| Tanımlama | ABN ters çevirim mümkün | |
|---|---|---|
| S2 | eksenel, 7 kutuplu, Fiş enkoder gövdesine kabloyla bağlı | - |
Talep ettiğiniz STEP dosyası belirtilmemiş:
STEP dosyası talebi burada
| Tanımlama | ABN ters çevirim mümkün | |
|---|---|---|
| S3 | radyal, 7 kutuplu, Fiş enkoder gövdesine kabloyla bağlı | - |
Talep ettiğiniz STEP dosyası belirtilmemiş:
STEP dosyası talebi burada
| Tanımlama | ABN ters çevirim mümkün | |
|---|---|---|
| S4 | eksenel, 12 kutuplu, Fiş enkoder gövdesine kabloyla bağlı | ● |
Talep ettiğiniz STEP dosyası belirtilmemiş:
STEP dosyası talebi burada
| Tanımlama | ABN ters çevirim mümkün | |
|---|---|---|
| S5 | radyal, 12 kutuplu, Fiş enkoder gövdesine kabloyla bağlı | ● |
Talep ettiğiniz STEP dosyası belirtilmemiş:
STEP dosyası talebi burada
| Tanımlama | ABN ters çevirim mümkün | |
|---|---|---|
| S4R | eksenel, 12 kutuplu, Fiş enkoder gövdesine kabloyla bağlı | ● |
Talep ettiğiniz STEP dosyası belirtilmemiş:
STEP dosyası talebi burada
| Tanımlama | ABN ters çevirim mümkün | |
|---|---|---|
| S5R | radyal, 12 kutuplu, Fiş enkoder gövdesine kabloyla bağlı | ● |
Talep ettiğiniz STEP dosyası belirtilmemiş:
STEP dosyası talebi burada
| Tanımlama | ABN ters çevirim mümkün | |
|---|---|---|
| SB4 | eksenel, 4 kutuplu, Fiş enkoder gövdesine kabloyla bağlı | - |
| SB5 | eksenel, 5 kutuplu, Fiş enkoder gövdesine kabloyla bağlı | - |
| SB8 | eksenel, 8 kutuplu, Fiş enkoder gövdesine kabloyla bağlı | ● |
| SB12 | eksenel, 12 kutuplu, Fiş enkoder gövdesine kabloyla bağlı | ● |
| SB4 | SB5 | SB8 | SB8 | SB12 | |
| 4 kutuplu | 5 kutuplu | 8 kutuplu | 8 kutuplu | 12 kutuplu | |
| Konektör çizimi | ![]() | ![]() | ![]() | ![]() | |
| Devre | F05, H05, F24, H24, H30 | F05, H05, F24, H24, H30 | P05, R05, P24, R24, R30, 245, 645 | SIN | P05, R05, P24, R24, 245, 645, R30 |
| GND | 3 | 3 | 1 | 1 | 3 |
| (+) Vcc | 1 | 1 | 2 | 2 | 1 |
| A | 2 | 4 | 3 | 3 | 4 |
| B | 4 | 2 | 4 | 5 | 6 |
| N | - | 5 | 5 | - | 8 |
| - | - | - | - | - | - |
| A ters çev. | - | - | 6 | 4 | 9 |
| B ters çev. | - | - | 7 | 6 | 7 |
| N ters çev. | - | - | 8 | - | 10 |
| bağlı değil | - | - | - | 7, 8 | 2, 5, 11, 12 |
| Ekran | - | - | - | - | - |
Talep ettiğiniz STEP dosyası belirtilmemiş:
STEP dosyası talebi burada
| Tanımlama | ABN ters çevirim mümkün | |
|---|---|---|
| SC4 | radyal, 4 kutuplu, Fiş enkoder gövdesine kabloyla bağlı | - |
| SC5 | radyal, 5 kutuplu, Fiş enkoder gövdesine kabloyla bağlı | - |
| SC8 | radyal, 8 kutuplu, Fiş enkoder gövdesine kabloyla bağlı | ● |
| SC12 | radyal, 12 kutuplu, Fiş enkoder gövdesine kabloyla bağlı | ● |
| SC4 | SC5 | SC8 | SC8 | SC12 | |
| 4 kutuplu | 5 kutuplu | 8 kutuplu | 8 kutuplu | 12 kutuplu | |
| Konektör çizimi | ![]() | ![]() | ![]() | ![]() | |
| Devre | F05, H05, F24, H24, H30 | F05, H05, F24, H24, H30 | P05, R05, P24, R24, R30, 245, 645 | SIN | P05, R05, P24, R24, 245, 645, R30 |
| GND | 3 | 3 | 1 | 1 | 3 |
| (+) Vcc | 1 | 1 | 2 | 2 | 1 |
| A | 2 | 4 | 3 | 3 | 4 |
| B | 4 | 2 | 4 | 5 | 6 |
| N | - | 5 | 5 | - | 8 |
| - | - | - | - | - | - |
| A ters çev. | - | - | 6 | 4 | 9 |
| B ters çev. | - | - | 7 | 6 | 7 |
| N ters çev. | - | - | 8 | - | 10 |
| bağlı değil | - | - | - | 7, 8 | 2, 5, 11, 12 |
| Ekran | - | - | - | - | - |
2500 PPR kadar
5000 PPR kadar
(Yüksek frekanslı) 1200 ila 25000 PPR
1024, 2048 PPR
| Azami çalışma hızı: | 3500 dev/dak. |
| İzin verilir şaft yükü, eksenel: | 100 N |
| İzin verilir şaft yükü, radyal: | 110 N |
| Azami impuls sayısı (PPR): | 25000 PPR |
| Başlangıç torku: | Oda sıcaklığında yakl. 4 Ncm |
WDGI 67Q enkoder basınç dengeleme diyaframıyla tedarik edilebilir. Bu membran yüksek rutubet ortamında enkoder gövdesine su girmesini engeller.
Koruma sınıfı IP67'ye kadar; sıcaklık aralığı ve tuz spreyi direnci değişmez. DIN EN ISO2812-1 uyarınca kimyasallara ve solventlere dirençli.
Sipariş sırasında, lütfen sipariş numarasını boyu desimetre olarak belirten 3 basamaklı bir sayıyla tamamlayın.
Örnek: 5 m kablo uzunluğu = 050

- Die-cast aluminium housing, powder coated
- Maximum bearing loads of up to 500 N, axial / radial
- Self-adhesive membrane
- High output frequency 600 kHz / 2 MHz
- Extended operating temperature -40 °C to +85 °C

- Incremental and absolute encoders
- Digital shaft copying
- Made in Germany
- Motorfeedback
- Position Measurement Systems

Artımlı enkoder için sayaç, 1 MHz
Artımlı enkoder sinyalleri için Yüksek Hızlı konum sayaçları ve diferansiyel sayaçlar

Female connector KI-4-67:
Suitable for encoder with sensor connector outlet SB4 and SC4, 4 pin, IP67
Ready-made shielded connection cable with female cable connector straight,
shield connected.

Female connector KIA-4-67:
Suitable for encoder with sensor connector outlet SB4 and SC4, 4 pin, IP67
Ready-made shielded connection cable with female cable connector angular,
shield connected.

Female connector KI-5-67:
Suitable for encoder with sensor connector outlet SB5 and SC5, 5 pin, IP67
Ready-made shielded connection cable with female cable connector straight,
shield connected.

Female connector KIA-5-67:
Suitable for encoder with sensor connector outlet SB5 and SC5, 5 pin, IP67
Ready-made shielded connection cable with female cable connector angular,
shield connected.

Female connector KD-5-40:
Suitable for encoder with connector outlet SI/SH, 5 pin, IP40
Customs information:
Customs tariff number: 90318020
Country of origin: Germany
Straight female connector or
straight connector with ready made cable.
With female thread M16 x 0.75.

Female connector KD-5-67:
Suitable for encoder with connector outlet SI/SH, 5 pin, IP67
Straight female connector or
straight connector with ready made cable.
With female thread M16 x 0.75.

Female connector KDA-6-67:
Suitable for encoder with connector outlet SI/SH, 6 pin, IP67
Angular female connector or
angular connector with ready made cable.

Female connector KD-7-40:
Suitable for encoder with connector outlet S2/S3,, 7 pin, IP40
Straight female connector or
straight connector with ready made cable.
With female thread M16 x 0.75.

Female connector KDA-7-40:
Suitable for encoder with connector outlet S2/S3, 7 pin, IP40
Angular female connector or
angular connector with ready made cable.
With female thread M16 x 0.75.

Female connector KD-7-67:
Suitable for encoder with connector outlet S2/S3, 7 pin, IP67
Straight female connector or
straight connector with ready made cable.
With female thread M16 x 0.75.

Female connector KDA-7-67:
Suitable for encoder with connector outlet S2/S3, 7 pin, IP67
Angular female connector or
angular connector with ready made cable.
With female thread M16 x 0.75.

Female connector KI-8-67:
Suitable for encoder with sensor connector outlet SB8 and SC8, 8 pin, IP67
Ready-made shielded connection cable with female cable connector straight,
shield connected.

Female connector KIA-8-67:
Suitable for encoder with sensor connector outlet SB8 and SC8, 8 pin, IP67
Ready-made shielded connection cable with female cable connector angular,
shield connected.

Female connector KD-8-40:
Suitable for encoder with connector outlet SI/SH, 8 pin, IP40
Straight female connector or
straight female connector with ready made cable.

Female connector KD-8-67:
Suitable for encoder with connector outlet SI/SH, 8 pin, IP67
Straight female connector or
straight female connector with ready made cable.

Female connector KDA-8-67:
Suitable for encoder with connector outlet SI/SH, 8 pin, IP67
Angular female connector or
angular connector with ready made cable.
With female thread M16 x 0.75

Female connector KDA-8-67-S:
Suitable for encoder with connector outlet SI/SH, 8 pin, IP67
Angular female connector, shieldable or
angular connector with ready made cable, shield connected.

Female connector KI-12-67:
Suitable for encoder with sensor connector outlet SB12 and SC12, 12 pin, IP67
Ready-made shielded connection cable with female cable connector straight,
shield connected.

Female connector KIA-12-67:
Suitable for encoder with sensor connector outlet SB12 and SC12, 12 pin, IP67
Ready-made shielded connection cable with female cable connector angular,
shield connected.

Female connector KD-SH12-67:
Suitable for encoder with connector outlet SI/SH, 12 pin, IP67
Straight female connector or
straight connector with ready made cable.

Female connector KD-12-67:
Suitable for encoder with connector outlet S4/S5, S4R/S5R, 12 pin, IP67
Straight female connector or
straight connector with ready made cable.
clockwise or anti-clockwise.

Female connector KDA-12-67:
Suitable for encoder with connector outlet S4/S5, S4R/S5R, 12 pin, IP67
Angular female connector or
angular connector with ready made cable.
Clockwise or anti-clockwise.
Insert any mountable.

Kablo konektör (kadın) KD-8-40-15-S-DIZ:
Frekans konvertörü için: Emotron
Suitable for encoder with connector outlet SI8 and SH8, 8 pin, IP40.
Connector (Sub-D 15 pin, 2 rows).
Ready-made shielded connection cable with female cable connector straight and Sub-D connector.
Female connector/ housing / connector housing electrically connected.

Kablo konektör (kadın) KD-8-40-15-S-RST:
Frekans konvertörü için: RST
Suitable for encoder with connector outlet SI8 and SH8, 8 pin, IP40.
Connector (Sub-D 15 pin, 2 rows).
Ready-made shielded connection cable with female cable connector straight and Sub-D connector.
Female connector/ housing / connector housing electrically connected.

Kablo konektör (kadın) KD-8-40-15-S-SDR:
Controller için: Schindler MX
Suitable for encoder with connector outlet SI8 and SH8, 8 pin, IP40.
Connector (Sub-D 15 pin, 2 rows).
Ready-made shielded connection cable with female cable connector straight and Sub-D connector
Female connector/ housing / connector housing electrically connected.

Kablo konektör (kadın) KD-8-40-15-S-CTF:
Frekans konvertörü için: Control Techniques
Suitable for encoder with connector outlet SI8 and SH8, 8 pin, IP40.
Connector (Sub-D 15 pin, 3 rows).
Ready-made shielded connection cable with female cable connector straight and Sub-D connector
Female connector/ housing / connector housing electrically connected.

Kablo konektör (kadın) KD-8-40-15-S-KEB:
Frekans konvertörü için: KEB F5
Suitable for encoder with connector outlet SI8 and SH8, 8 pin, IP40.
connector (Sub-D 15 pin, 3 rows).
Ready-made shielded connection cable with female cable connector straight and Sub-D connector
Female connector/ housing / connector housing electrically connected.

Kablo konektör (kadın) KD-8-40-15-S-LOH
Frekans konvertörü için: Flender Loher tipi Dynavert L
Suitable for encoder with connector outlet SI8 and SH8, 8 pin, IP40.
connector (Sub-D 15 pin, 3 rows).
Ready-made shielded connection cable with female cable connector straight and Sub-D connector
Female connector/ housing / connector housing electrically connected.

Kablo konektör (kadın) KD-8-40-15-S-LIF:
Frekans konvertörü için: Liftequip
Suitable for encoder with connector outlet SI8 and SH8, 8 pin, IP40.
Connector (Sub-D 9 pin, 2 rows).
Ready-made shielded connection cable with female cable connector straight and Sub-D connector.
Female connector/ housing / connector housing electrically connected.

Kablo konektör (kadın) KD-8-40-15-S-ZIL:
Frekans konvertörü için: Ziehl-Abegg
Suitable for encoder with connector outlet SI8 and SH8, 8 pin, IP40.
connector (Sub-D 9 pin, 2 rows).
Ready-made shielded connection cable with female cable connector straight and Sub-D connector.
Female connector/ housing / connector housing electrically connected.
Here you find a list of our distributors worldwide































































