Enkoder, artımlı,
Çözünürlük: 25000 PPR'ya kadar,
Geçmeli Flanş / Gövde Çapı 63 mm
Mil Çapı Ø:
6 mm, 7 mm, 8 mm, 3/8" (9.525 mm), 10 mm;
Talep üzerine Ø 12 mm,
Koruma sınıfı tam IP67'ye kadar,
Çıkış Devresi HTL / TTL / RS 422 Uyumlu / 1 Vpp Sin/Cos,
İşlev ilkesi: optik.

- Özellikle çevre dostu toz kaplamalı alüminyum pres döküm gövde
- 25000 impulsa kadar yüksek değerli elektronikle
- Koruma sınıfı IP67; şaft girişinde IP65
- 10 VDC ila 30 VDC'de yüksek bağlantı koruması
- 600 kHz/2 MHz'e kadar yüksek çıkış frekansı
- İsteğe bağlı:
-40 °C ila +85 °C,
Koruma sınıfı tam IP67'ye kadar,
Basınç dengeleme diyaframı
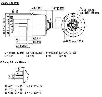
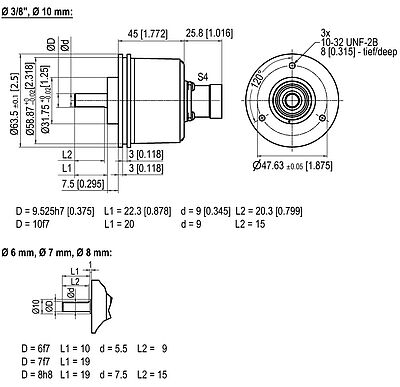
Şaft uzunluğu: L: 10 mm
Azami şaft yükü, radyal: 220 N
Azami şaft yükü, eksenel: 120 N
Not: Dikkat: Seçenek yok AAO = Tam IP67
Şaft uzunluğu: L: 19 mm
Azami şaft yükü, radyal: 80 N
Azami şaft yükü, eksenel: 50 N
Şaft uzunluğu: L: 19 mm
Azami şaft yükü, radyal: 220 N
Azami şaft yükü, eksenel: 120 N
Şaft uzunluğu: L: 22,3 mm
Azami şaft yükü, radyal: 220 N
Azami şaft yükü, eksenel: 120 N
Şaft uzunluğu: L: 20 mm
Azami şaft yükü, radyal: 220 N
Azami şaft yükü, eksenel: 120 N
Öz güç tüketimi: typ. 70 mA (100 mA sadece F05, P05)
Öz güç tüketimi: typ. 70 mA
Öz güç tüketimi: typ. 70 mA (100 mA sadece F24, P24, 645)
Çevre verileri
ESD (DIN EN 61000-4-2):
8 kV
Burst (DIN EN 61000-4-4):
2 kV
Bir EMC kapatır:
DIN EN 61000-6-2
DIN EN 61000-6-3
Titreşim:
(DIN EN 60068-2-6)
50 m/s2 (10 Hz ila 2000 Hz)
Darbe:
(DIN EN 60068-2-27)
1000 m/s2 (6 ms)
Electrial Safety:
DIN VDE 0160 uyarınca
Customs information
Customs tariff number:
90318020
Country of origin:
Germany
1 Vpp: -10 °C ila +70 °C
Talep ettiğiniz STEP dosyası belirtilmemiş:
STEP dosyası talebi burada
| Tanımlama | ABN ters çevirim mümkün | |
|---|---|---|
| K2 | eksenel, Ekran açık | ● |
| L2 | eksenel, Ekran enkoder gövdesine kabloyla bağlı | ● |
| K2, L2 | K2, L2 | L2 | |
| Devre | F05, H05, F24, H24, H30 | P05, R05, P24, R24, 245, 645, R30 | SIN |
| GND | WH | WH | WH |
| (+) Vcc | BN | BN | BN |
| A | GN | GN | GN |
| B | YE | YE | GY |
| N | GY | GY | - |
| - | - | - | - |
| A ters çev. | - | RD | YE |
| B ters çev. | - | BK, (BU ile ACA) | PK |
| N ters çev. | - | VT | - |
| Ekran | Tel | Tel | Tel |
Talep ettiğiniz STEP dosyası belirtilmemiş:
STEP dosyası talebi burada
| Tanımlama | ABN ters çevirim mümkün | |
|---|---|---|
| K3 | radyal, Ekran açık | ● |
| L3 | radyal, Ekran enkoder gövdesine kabloyla bağlı | ● |
| K3, L3 | K3, L3 | L3 | |
| Devre | F05, H05, F24, H24, H30 | P05, R05, P24, R24, 245, 645, R30 | SIN |
| GND | WH | WH | WH |
| (+) Vcc | BN | BN | BN |
| A | GN | GN | GN |
| B | YE | YE | GY |
| N | GY | GY | - |
| - | - | - | - |
| A ters çev. | - | RD | YE |
| B ters çev. | - | BK, (BU ile ACA) | PK |
| N ters çev. | - | VT | - |
| Ekran | Tel | Tel | Tel |
Talep ettiğiniz STEP dosyası belirtilmemiş:
STEP dosyası talebi burada
| Tanımlama | ABN ters çevirim mümkün | |
|---|---|---|
| SI5 | eksenel, 5 kutuplu, Fiş enkoder gövdesine kabloyla bağlı | - |
| SI6 | eksenel, 6 kutuplu, Fiş enkoder gövdesine kabloyla bağlı | - |
| SI8 | eksenel, 8 kutuplu, Fiş enkoder gövdesine kabloyla bağlı | ● |
| SI12 | eksenel, 12 kutuplu, Fiş enkoder gövdesine kabloyla bağlı | ● |
| SI5 | SI6 | SI8 | SI8 | SI12 | SI12 | |
| 5 kutuplu | 6 kutuplu | 8 kutuplu | 8 kutuplu | 12 kutuplu | 12 kutuplu | |
| Konektör çizimi | ![]() | ![]() | ![]() | ![]() | ||
| Devre | F05, H05, F24, H24, H30 | F05, H05, F24, H24, H30 | P05, R05, P24, R24, R30, 245, 645 | SIN | P05, R05, P24, R24, 245, 645, R30 | SIN |
| GND | 1 | 6 | 1 | 1 | K, L | K, L |
| (+) Vcc | 2 | 1 | 2 | 2 | M, B | M, B |
| A | 3 | 2 | 3 | 3 | E | E |
| B | 4 | 4 | 4 | 4 | H | H |
| N | 5 | 3 | 5 | - | C | - |
| - | - | - | - | - | - | - |
| A ters çev. | - | - | 6 | 6 | F | F |
| B ters çev. | - | - | 7 | 7 | A | A |
| N ters çev. | - | - | 8 | - | D | - |
| bağlı değil | - | 5 | - | 5, 8 | G, J | D, G, J |
| Ekran | - | - | - | - | - | - |
Talep ettiğiniz STEP dosyası belirtilmemiş:
STEP dosyası talebi burada
| Tanımlama | ABN ters çevirim mümkün | |
|---|---|---|
| SH5 | radyal, 5 kutuplu, Fiş enkoder gövdesine kabloyla bağlı | - |
| SH6 | radyal, 6 kutuplu, Fiş enkoder gövdesine kabloyla bağlı | - |
| SH8 | radyal, 8 kutuplu, Fiş enkoder gövdesine kabloyla bağlı | ● |
| SH12 | radyal, 12 kutuplu, Fiş enkoder gövdesine kabloyla bağlı | ● |
| SH5 | SH6 | SH8 | SH8 | SH12 | SH12 | |
| 5 kutuplu | 6 kutuplu | 8 kutuplu | 8 kutuplu | 12 kutuplu | 12 kutuplu | |
| Konektör çizimi | ![]() | ![]() | ![]() | ![]() | ||
| Devre | F05, H05, F24, H24, H30 | F05, H05, F24, H24, H30 | P05, R05, P24, R24, R30, 245, 645 | SIN | P05, R05, P24, R24, 245, 645, R30 | SIN |
| GND | 1 | 6 | 1 | 1 | K, L | K, L |
| (+) Vcc | 2 | 1 | 2 | 2 | M, B | M, B |
| A | 3 | 2 | 3 | 3 | E | E |
| B | 4 | 4 | 4 | 4 | H | H |
| N | 5 | 3 | 5 | - | C | - |
| - | - | - | - | - | - | - |
| A ters çev. | - | - | 6 | 6 | F | F |
| B ters çev. | - | - | 7 | 7 | A | A |
| N ters çev. | - | - | 8 | - | D | - |
| bağlı değil | - | 5 | - | 5, 8 | G, J | D, G, J |
| Ekran | - | - | - | - | - | - |
Talep ettiğiniz STEP dosyası belirtilmemiş:
STEP dosyası talebi burada
| Tanımlama | ABN ters çevirim mümkün | |
|---|---|---|
| S2 | eksenel, 7 kutuplu, Fiş enkoder gövdesine kabloyla bağlı | - |
Talep ettiğiniz STEP dosyası belirtilmemiş:
STEP dosyası talebi burada
| Tanımlama | ABN ters çevirim mümkün | |
|---|---|---|
| S3 | radyal, 7 kutuplu, Fiş enkoder gövdesine kabloyla bağlı | - |
Talep ettiğiniz STEP dosyası belirtilmemiş:
STEP dosyası talebi burada
| Tanımlama | ABN ters çevirim mümkün | |
|---|---|---|
| S4 | eksenel, 12 kutuplu, Fiş enkoder gövdesine kabloyla bağlı | ● |
Talep ettiğiniz STEP dosyası belirtilmemiş:
STEP dosyası talebi burada
| Tanımlama | ABN ters çevirim mümkün | |
|---|---|---|
| S5 | radyal, 12 kutuplu, Fiş enkoder gövdesine kabloyla bağlı | ● |
Talep ettiğiniz STEP dosyası belirtilmemiş:
STEP dosyası talebi burada
| Tanımlama | ABN ters çevirim mümkün | |
|---|---|---|
| S4R | eksenel, 12 kutuplu, Fiş enkoder gövdesine kabloyla bağlı | ● |
Talep ettiğiniz STEP dosyası belirtilmemiş:
STEP dosyası talebi burada
| Tanımlama | ABN ters çevirim mümkün | |
|---|---|---|
| S5R | radyal, 12 kutuplu, Fiş enkoder gövdesine kabloyla bağlı | ● |
Talep ettiğiniz STEP dosyası belirtilmemiş:
STEP dosyası talebi burada
| Tanımlama | ABN ters çevirim mümkün | |
|---|---|---|
| SB4 | eksenel, 4 kutuplu, Fiş enkoder gövdesine kabloyla bağlı | - |
| SB5 | eksenel, 5 kutuplu, Fiş enkoder gövdesine kabloyla bağlı | - |
| SB8 | eksenel, 8 kutuplu, Fiş enkoder gövdesine kabloyla bağlı | ● |
| SB12 | eksenel, 12 kutuplu, Fiş enkoder gövdesine kabloyla bağlı | ● |
| SB4 | SB5 | SB8 | SB8 | SB12 | |
| 4 kutuplu | 5 kutuplu | 8 kutuplu | 8 kutuplu | 12 kutuplu | |
| Konektör çizimi | ![]() | ![]() | ![]() | ![]() | |
| Devre | F05, H05, F24, H24, H30 | F05, H05, F24, H24, H30 | P05, R05, P24, R24, R30, 245, 645 | SIN | P05, R05, P24, R24, 245, 645, R30 |
| GND | 3 | 3 | 1 | 1 | 3 |
| (+) Vcc | 1 | 1 | 2 | 2 | 1 |
| A | 2 | 4 | 3 | 3 | 4 |
| B | 4 | 2 | 4 | 5 | 6 |
| N | - | 5 | 5 | - | 8 |
| - | - | - | - | - | - |
| A ters çev. | - | - | 6 | 4 | 9 |
| B ters çev. | - | - | 7 | 6 | 7 |
| N ters çev. | - | - | 8 | - | 10 |
| bağlı değil | - | - | - | 7, 8 | 2, 5, 11, 12 |
| Ekran | - | - | - | - | - |
Talep ettiğiniz STEP dosyası belirtilmemiş:
STEP dosyası talebi burada
| Tanımlama | ABN ters çevirim mümkün | |
|---|---|---|
| SC4 | radyal, 4 kutuplu, Fiş enkoder gövdesine kabloyla bağlı | - |
| SC5 | radyal, 5 kutuplu, Fiş enkoder gövdesine kabloyla bağlı | - |
| SC8 | radyal, 8 kutuplu, Fiş enkoder gövdesine kabloyla bağlı | ● |
| SC12 | radyal, 12 kutuplu, Fiş enkoder gövdesine kabloyla bağlı | ● |
| SC4 | SC5 | SC8 | SC8 | SC12 | |
| 4 kutuplu | 5 kutuplu | 8 kutuplu | 8 kutuplu | 12 kutuplu | |
| Konektör çizimi | ![]() | ![]() | ![]() | ![]() | |
| Devre | F05, H05, F24, H24, H30 | F05, H05, F24, H24, H30 | P05, R05, P24, R24, R30, 245, 645 | SIN | P05, R05, P24, R24, 245, 645, R30 |
| GND | 3 | 3 | 1 | 1 | 3 |
| (+) Vcc | 1 | 1 | 2 | 2 | 1 |
| A | 2 | 4 | 3 | 3 | 4 |
| B | 4 | 2 | 4 | 5 | 6 |
| N | - | 5 | 5 | - | 8 |
| - | - | - | - | - | - |
| A ters çev. | - | - | 6 | 4 | 9 |
| B ters çev. | - | - | 7 | 6 | 7 |
| N ters çev. | - | - | 8 | - | 10 |
| bağlı değil | - | - | - | 7, 8 | 2, 5, 11, 12 |
| Ekran | - | - | - | - | - |
2500 PPR kadar
5000 PPR kadar
(Yüksek frekanslı) 1200 ila 25000 PPR
1024, 2048 PPR
| Azami çalışma hızı: | 3500 dev/dak. |
| İzin verilir şaft yükü, eksenel: | 100 N |
| İzin verilir şaft yükü, radyal: | 110 N |
| Azami impuls sayısı (PPR): | 25000 PPR |
| Başlangıç torku: | Oda sıcaklığında yakl. 4 Ncm |
WDGI 63B enkoder basınç dengeleme diyaframıyla tedarik edilebilir. Bu membran yüksek rutubet ortamında enkoder gövdesine su girmesini engeller.
Koruma sınıfı IP67'ye kadar; sıcaklık aralığı ve tuz spreyi direnci değişmez. DIN EN ISO2812-1 uyarınca kimyasallara ve solventlere dirençli.
Sipariş sırasında, lütfen sipariş numarasını boyu desimetre olarak belirten 3 basamaklı bir sayıyla tamamlayın.
Örnek: 5 m kablo uzunluğu = 050

- Die-cast aluminium housing, powder coated
- Maximum bearing loads of up to 500 N, axial / radial
- Self-adhesive membrane
- High output frequency 600 kHz / 2 MHz
- Extended operating temperature -40 °C to +85 °C

- Incremental and absolute encoders
- Digital shaft copying
- Made in Germany
- Motorfeedback
- Position Measurement Systems

Artımlı enkoder için sayaç, 1 MHz
Artımlı enkoder sinyalleri için Yüksek Hızlı konum sayaçları ve diferansiyel sayaçlar

Female connector KI-4-67:
Suitable for encoder with sensor connector outlet SB4 and SC4, 4 pin, IP67
Ready-made shielded connection cable with female cable connector straight,
shield connected.

Female connector KIA-4-67:
Suitable for encoder with sensor connector outlet SB4 and SC4, 4 pin, IP67
Ready-made shielded connection cable with female cable connector angular,
shield connected.

Female connector KI-5-67:
Suitable for encoder with sensor connector outlet SB5 and SC5, 5 pin, IP67
Ready-made shielded connection cable with female cable connector straight,
shield connected.

Female connector KIA-5-67:
Suitable for encoder with sensor connector outlet SB5 and SC5, 5 pin, IP67
Ready-made shielded connection cable with female cable connector angular,
shield connected.

Female connector KD-5-40:
Suitable for encoder with connector outlet SI/SH, 5 pin, IP40
Customs information:
Customs tariff number: 90318020
Country of origin: Germany
Straight female connector or
straight connector with ready made cable.
With female thread M16 x 0.75.

Female connector KD-5-67:
Suitable for encoder with connector outlet SI/SH, 5 pin, IP67
Straight female connector or
straight connector with ready made cable.
With female thread M16 x 0.75.

Female connector KDA-6-67:
Suitable for encoder with connector outlet SI/SH, 6 pin, IP67
Angular female connector or
angular connector with ready made cable.

Female connector KD-7-40:
Suitable for encoder with connector outlet S2/S3,, 7 pin, IP40
Straight female connector or
straight connector with ready made cable.
With female thread M16 x 0.75.

Female connector KDA-7-40:
Suitable for encoder with connector outlet S2/S3, 7 pin, IP40
Angular female connector or
angular connector with ready made cable.
With female thread M16 x 0.75.

Female connector KD-7-67:
Suitable for encoder with connector outlet S2/S3, 7 pin, IP67
Straight female connector or
straight connector with ready made cable.
With female thread M16 x 0.75.

Female connector KDA-7-67:
Suitable for encoder with connector outlet S2/S3, 7 pin, IP67
Angular female connector or
angular connector with ready made cable.
With female thread M16 x 0.75.

Female connector KI-8-67:
Suitable for encoder with sensor connector outlet SB8 and SC8, 8 pin, IP67
Ready-made shielded connection cable with female cable connector straight,
shield connected.

Female connector KIA-8-67:
Suitable for encoder with sensor connector outlet SB8 and SC8, 8 pin, IP67
Ready-made shielded connection cable with female cable connector angular,
shield connected.

Female connector KD-8-40:
Suitable for encoder with connector outlet SI/SH, 8 pin, IP40
Straight female connector or
straight female connector with ready made cable.

Female connector KD-8-67:
Suitable for encoder with connector outlet SI/SH, 8 pin, IP67
Straight female connector or
straight female connector with ready made cable.

Female connector KDA-8-67:
Suitable for encoder with connector outlet SI/SH, 8 pin, IP67
Angular female connector or
angular connector with ready made cable.
With female thread M16 x 0.75

Female connector KDA-8-67-S:
Suitable for encoder with connector outlet SI/SH, 8 pin, IP67
Angular female connector, shieldable or
angular connector with ready made cable, shield connected.

Female connector KI-12-67:
Suitable for encoder with sensor connector outlet SB12 and SC12, 12 pin, IP67
Ready-made shielded connection cable with female cable connector straight,
shield connected.

Female connector KIA-12-67:
Suitable for encoder with sensor connector outlet SB12 and SC12, 12 pin, IP67
Ready-made shielded connection cable with female cable connector angular,
shield connected.

Female connector KD-SH12-67:
Suitable for encoder with connector outlet SI/SH, 12 pin, IP67
Straight female connector or
straight connector with ready made cable.

Female connector KD-12-67:
Suitable for encoder with connector outlet S4/S5, S4R/S5R, 12 pin, IP67
Straight female connector or
straight connector with ready made cable.
clockwise or anti-clockwise.

Female connector KDA-12-67:
Suitable for encoder with connector outlet S4/S5, S4R/S5R, 12 pin, IP67
Angular female connector or
angular connector with ready made cable.
Clockwise or anti-clockwise.
Insert any mountable.

Kablo konektör (kadın) KD-8-40-15-S-DIZ:
Frekans konvertörü için: Emotron
Suitable for encoder with connector outlet SI8 and SH8, 8 pin, IP40.
Connector (Sub-D 15 pin, 2 rows).
Ready-made shielded connection cable with female cable connector straight and Sub-D connector.
Female connector/ housing / connector housing electrically connected.

Kablo konektör (kadın) KD-8-40-15-S-RST:
Frekans konvertörü için: RST
Suitable for encoder with connector outlet SI8 and SH8, 8 pin, IP40.
Connector (Sub-D 15 pin, 2 rows).
Ready-made shielded connection cable with female cable connector straight and Sub-D connector.
Female connector/ housing / connector housing electrically connected.

Kablo konektör (kadın) KD-8-40-15-S-SDR:
Controller için: Schindler MX
Suitable for encoder with connector outlet SI8 and SH8, 8 pin, IP40.
Connector (Sub-D 15 pin, 2 rows).
Ready-made shielded connection cable with female cable connector straight and Sub-D connector
Female connector/ housing / connector housing electrically connected.

Kablo konektör (kadın) KD-8-40-15-S-CTF:
Frekans konvertörü için: Control Techniques
Suitable for encoder with connector outlet SI8 and SH8, 8 pin, IP40.
Connector (Sub-D 15 pin, 3 rows).
Ready-made shielded connection cable with female cable connector straight and Sub-D connector
Female connector/ housing / connector housing electrically connected.

Kablo konektör (kadın) KD-8-40-15-S-KEB:
Frekans konvertörü için: KEB F5
Suitable for encoder with connector outlet SI8 and SH8, 8 pin, IP40.
connector (Sub-D 15 pin, 3 rows).
Ready-made shielded connection cable with female cable connector straight and Sub-D connector
Female connector/ housing / connector housing electrically connected.

Kablo konektör (kadın) KD-8-40-15-S-LOH
Frekans konvertörü için: Flender Loher tipi Dynavert L
Suitable for encoder with connector outlet SI8 and SH8, 8 pin, IP40.
connector (Sub-D 15 pin, 3 rows).
Ready-made shielded connection cable with female cable connector straight and Sub-D connector
Female connector/ housing / connector housing electrically connected.

Kablo konektör (kadın) KD-8-40-15-S-LIF:
Frekans konvertörü için: Liftequip
Suitable for encoder with connector outlet SI8 and SH8, 8 pin, IP40.
Connector (Sub-D 9 pin, 2 rows).
Ready-made shielded connection cable with female cable connector straight and Sub-D connector.
Female connector/ housing / connector housing electrically connected.

Kablo konektör (kadın) KD-8-40-15-S-ZIL:
Frekans konvertörü için: Ziehl-Abegg
Suitable for encoder with connector outlet SI8 and SH8, 8 pin, IP40.
connector (Sub-D 9 pin, 2 rows).
Ready-made shielded connection cable with female cable connector straight and Sub-D connector.
Female connector/ housing / connector housing electrically connected.

Gergi eksantriği SP-3-00
Artımlı döner enkoder WDG 40A, 50B, 58T, WDGI 58A, 58B, 58C, 58D, 58K, 63B, WDGP 36A, WDGP 58A, WDGP 58B uve mutlak döner enkoder WDGA 36A, WDGA 58A, WDGA 58B'ye uygun.
Here you find a list of our distributors worldwide































































