WDGWA10M20
Şaft adaptörü M20 WDGWA10M20
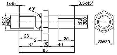
Ø 10 mm içi veya ucu boş şaft döner enkoderleri için
veya Ø 10 mm kaplinler için,
M20 dişliler.

Illustration similar
Dişler
M20
Sipariş numarası/numaraları
WDGWA10M20
Şaft adaptörü
STEP Görüntüleyici / STEP dosyaları:
Talep ettiğiniz STEP dosyası belirtilmemiş:
STEP dosyası talebi burada
For further information please contact our local distributor.
Here you find a list of our distributors worldwide
Here you find a list of our distributors worldwide
Bir teklif almak ya da geri aranmak istiyorsunuz. Talep









