WDGDS10008
Tork desteği WDGDS10008
Bütün içi veya ucu boş şaft döner enkoder türleri için.
(36E, 100G hariç)

Illustration similar
Kompansasyon kapasitesi
eksenel ±0,4 mm
radyal ±0,2 mm
radyal ±0,2 mm
Hammadde
Yay çeliği, paslanmaz
Tespit
Tespit vidaları enkoderle birlikte.
Makineye tespit vidaları dahil değil.
Sipariş numarası/numaraları
WDGDS10008
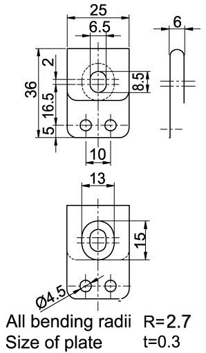
Tork destekleri
Tüm ölçüler mm'dir

For further information please contact our local distributor.
Here you find a list of our distributors worldwide
Here you find a list of our distributors worldwide
Bir teklif almak ya da geri aranmak istiyorsunuz. Talep