Enkoder, artımlı,
Çözünürlük: 1024 PPR'ye kadar,
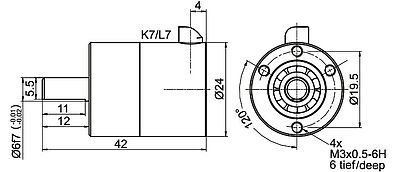
Senkron Flanş / Gövde Çapı 24 mm
Mil Çapı: 6 mm,
Koruma türü: Tam IP67'ye kadar
Çıkış Devresi HTL / TTL / RS 422 Uyumlu,
İşlev ilkesi: manyetik.

- Ham kullanım için en küçük yapı
- "Büyükler" gibi yatak yükleri
- Tam IP67'ye kadar
- Manyetik sinyal üretimi
Şaft uzunluğu: L: 12 mm
Azami şaft yükü, radyal: 80 N
Azami şaft yükü, eksenel: 50 N
Öz güç tüketimi: typ. 40 mA
Öz güç tüketimi: typ. 40 mA
Çevre verileri
ESD (DIN EN 61000-4-2):
8 kV
Burst (DIN EN 61000-4-4):
2 kV
Bir EMC kapatır:
DIN EN 61000-6-2
DIN EN 61000-6-3
Titreşim:
(DIN EN 60068-2-6)
50 m/s2 (10 Hz ila 2000 Hz)
Darbe:
(DIN EN 60068-2-27)
1000 m/s2 (6 ms)
Electrial Safety:
DIN VDE 0160 uyarınca
Customs information
Customs tariff number:
90318020
Country of origin:
Germany
Talep ettiğiniz STEP dosyası belirtilmemiş:
STEP dosyası talebi burada
| Tanımlama | ABN ters çevirim mümkün | |
|---|---|---|
| K7 | radyal, Ekran açık (IP40) | ● |
| L7 | radyal, Ekran enkoder gövdesine kabloyla bağlı (IP40) | ● |
| K7, L7 | K7, L7 | |
| Devre | N05, N30 | M05, M30 |
| GND | WH | WH |
| (+) Vcc | BN | BN |
| A | GN | GN |
| B | YE | YE |
| N | GY | GY |
| - | - | - |
| A ters çev. | - | RD |
| B ters çev. | - | PK, (BK ile ACA) |
| N ters çev. | - | BU, (VT ile ACA) |
| Ekran | Tel | Tel |
Talep ettiğiniz STEP dosyası belirtilmemiş:
STEP dosyası talebi burada
| Tanımlama | ABN ters çevirim mümkün | |
|---|---|---|
| SK6 | eksenel, 6 kutuplu, Fiş enkoder gövdesine kabloyla bağlı | - |
Talep ettiğiniz STEP dosyası belirtilmemiş:
STEP dosyası talebi burada
| Tanımlama | ABN ters çevirim mümkün | |
|---|---|---|
| SK8 | eksenel, 8 kutuplu, Fiş enkoder gövdesine kabloyla bağlı | ● |
16, 32, 64 PPR
1-1024 PPR
| Azami çalışma hızı: | 3500 dev/dak. |
| İzin verilir şaft yükü, eksenel: | 30 N |
| İzin verilir şaft yükü, radyal: | 45 N |
| Azami impuls sayısı (PPR): | 1024 PPR |
| Başlangıç torku: | Oda sıcaklığında yakl. 1,2 Ncm |
M30 ve N30 çıkış devrelerinde azami 25 metredir. Azami kablo boyu çalışma gerilimine ve frekansa bağlıdır; bkz. 'Genel teknik veriler'
Sipariş sırasında, lütfen sipariş numarasını boyu desimetre olarak belirten 3 basamaklı bir sayıyla tamamlayın.
Örnek: 5 m kablo uzunluğu = 050

- Incremental and absolute encoders
- Digital shaft copying
- Made in Germany
- Motorfeedback
- Position Measurement Systems

Artımlı enkoder için sayaç, 1 MHz
Artımlı enkoder sinyalleri için Yüksek Hızlı konum sayaçları ve diferansiyel sayaçlar

Female connector SAK-6-67:
Suitable for encoder with connector outlet SK, 6 pin, IP67
Straight connector with ready made cable.
With female thread M8.

Female connector SAK-8-67:
Suitable for encoder with connector outlet SK, 8 pin, IP67
Straight connector with ready made cable.
With female thread M8.

Yaylı rondela tipi kaplinler FSK22
Ø 6 mm, Ø 10 mm veya Ø 12 mm şaftlı döner enkoder için

Körük kaplinler BK29
Ø 6 mm, 8 mm, 10 mm veya 12 mm şaftlı döner enkoder için*.
Azami şaft deplasmanı, radyal: ± 0,25 mm veya ± 0,30 mm*
Torsiyon yayı gerginliği: 150 Nm/rad veya 130 Nm/rad*

Körük kaplinler FB29B
Ø 4 mm, 6 mm, 8 mm, 10 mm veya Ø 12 mm şaftlı döner enkoder için

Çift döngülü kaplin DSK29
Ø 6 mm, 8 mm, veya 10 mm şaftlı döner enkoder için.
Hareketli aksam yok, ısıl ve elektrik yalıtımlı, sessiz çalıma, bakım gerektirmez.
Aşağıdakilere güçlü direnç:
Benzin, yağ, benzen, toluen, aromatik veya aromatik olmayan hidrokarbonlar, alkoller, glikol, solventler ve birçok kimyasal.

Çift döngülü kaplin DSK38
Ø 6 mm, 8 mm, 10 mm veya 12 mm şaftlı döner enkoder için.
Hareketli aksam yok, ısıl ve elektrik yalıtımlı, sessiz çalıma, bakım gerektirmez.
Aşağıdakilere güçlü direnç:
Benzin, yağ, benzen, toluen, aromatik veya aromatik olmayan hidrokarbonlar, alkoller, glikol, solventler ve birçok kimyasal.

Ölçüm tekerlekleri MRA200KR
Kapsam 200 mm,
Kaplama: Tırtıllı
Kullanım alanları: Karton, ahşap, tekstil ürünleri, kauçuk, yumuşak sentetikler.
Ø 6 mm, Ø 10 mm veya Ø 12 mm şaftlı döner enkoder için.

Ölçüm tekerlekleri MR200KH
Kapsam 200 mm,
Kaplama: Sentetik (hytrel, düz)
Kullanım alanları: Plastik, boyalı yüzeyler, kağıt, karton, ahşap, metal, tekstil.
Ø 6 mm veya Ø 10 mm şaftlı döner enkoder için.

Ölçüm tekerlekleri MRA200KH
Kapsam 200 mm,
Kaplama: Sentetik (poliüretan, düz)
Kullanım alanları: greslenmiş metaller, çelik profiller, cilalı yüzeyler, sentetik ürünler, kağıt, karton, ahşap, tekstil ürünleri, tel, deri.
Ø 6 mm, Ø 10 mm veya Ø 12 mm şaftlı döner enkoder için.

Ölçüm tekerlekleri MRA200NG
Kapsam 200 mm,
Kaplama: Sentetik (Poliüretan, yumrulu)
Kullanım alanları: kaba tekstil ürünleri, halı, kablo ölçümü, yapağı, kağıt, karton, ahşap, sentetik ürünler.
Ø 6 mm, Ø 10 mm veya Ø 12 mm şaftlı döner enkoder için.

Ölçüm tekerlekleri MR200KG
Kapsam 200 mm,
Kaplama: Sentetik (hytrel, oluklu)
Kullanım alanları: Plastik, boyalı yüzeyler, kağıt, karton, ahşap, metal, tekstil.
Ø 6 mm veya Ø 10 mm şaftlı döner enkoder için.

Ölçüm tekerlekleri MRA200KG
Kapsam 200 mm,
Kaplama: Sentetik (poliüretan, oluklu)
Kullanım alanları: Greslenmemiş metal, cilalı yüzeyler, kağıt, karton, ahşap tekstil ürünleri, cam, zemin kaplamaları.
Ø 6 mm, Ø 10 mm veya Ø 12 mm şaftlı döner enkoder için.
Here you find a list of our distributors worldwide







































