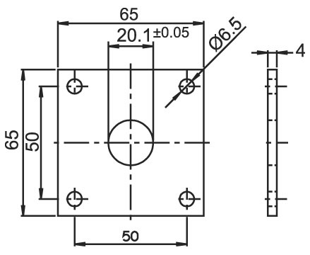
QF40S
Çeyrek flanş QF40S
Artımlı döner enkoder 36S, 40S, 50V, 53V

Illustration similar
Hammadde
Alüminyum, siyah eloksallı
Sipariş numarası/numaraları
QF40S
Çeyrek flanş
Talep ettiğiniz STEP dosyası belirtilmemiş:
STEP dosyası talebi burada
For further information please contact our local distributor.
Here you find a list of our distributors worldwide
Here you find a list of our distributors worldwide
Bir teklif almak ya da geri aranmak istiyorsunuz. Talep









