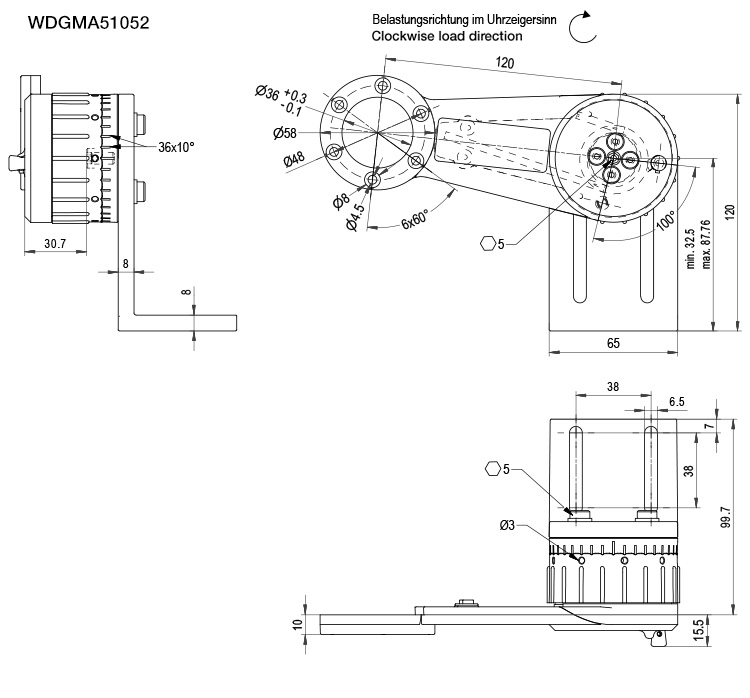
WDGMA5105x
Yaylı kol 58B, 58D, 58K, 58N ve 58T döner enkoderleri için.
uzunluk ölçümü için

Illustration similar
Highlights
- Montaj: alttan, üstten, yatay, dikey
- Ayarlanabilir ön gerilim gücü: 5 N - 30 N (5 N adımda)
- 200 ve 500 mm uzantılı bütün ölçüm tekerlekleriyle birleştirilebilir
- İki yükleme yönlü olarak tedarik edilir
Yay sapması
Ön gerilimde yay sapması:
5 N = 90°
10 N = 80°
...
30 N = 40°
Gewicht
yakl. 755 g
Sipariş numarası/numaraları
WDGMA51051
Yükleme yönü saat yönünün tersine
WDGMA51052
Yükleme yönü saat yönünde
For further information please contact our local distributor.
Here you find a list of our distributors worldwide
Here you find a list of our distributors worldwide
Bir teklif almak ya da geri aranmak istiyorsunuz. Talep










