Absolute Enkoder RS485 WDGA 58A,
Senkron Flanş / Gövde Çapı 58 mm
16/32-bit Single-/Multiturn;
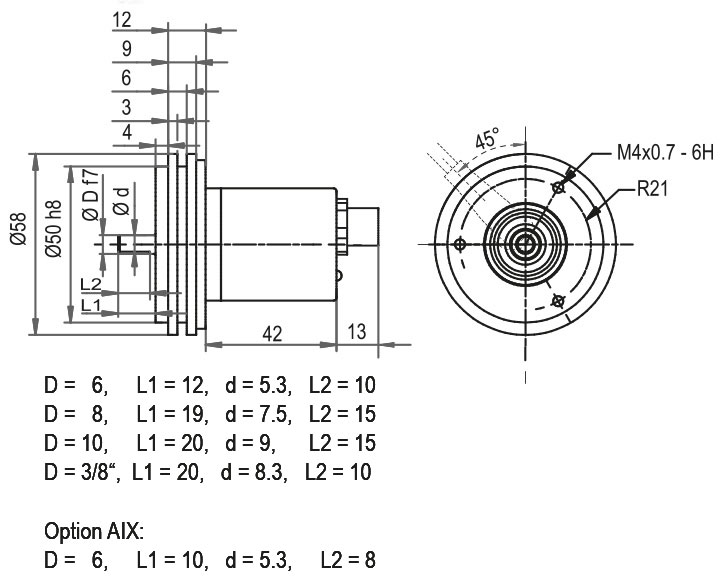
Mil Çapı Ø 6 mm, Ø 8 mm, Ø 10 mm, Ø 3/8";
CRC sağlama

- EnDra®: Bakım gerektirmez, çevre dostu
- Kompakt ve sağlam endüstriyel imalat
- Arayüz: RS485
- Sıfırlanabilir
- Sayma yönü değiştirilebilir
- Durum sinyalizasyonu için LED
- EMC: EN 61000-6-2, EN 61000-6-3
65.536 adım/360° (16 bit)
Multiturn çözünürlük32 bit kadar
Not: Dikkat: Seçenek yok AAO = Tam IP67
Şaft uzunluğu: L: 12 mm
Azami şaft yükü, radyal: 125 N
Azami şaft yükü, eksenel: 120 N
Şaft uzunluğu: L: 19 mm
Azami şaft yükü, radyal: 125 N
Azami şaft yükü, eksenel: 120 N
Not: Dikkat: Seçenek yok AAO = Tam IP67
Şaft uzunluğu: L: 20 mm
Azami şaft yükü, radyal: 220 N
Azami şaft yükü, eksenel: 120 N
Şaft uzunluğu: L: 20 mm
Azami şaft yükü, radyal: 220 N
Azami şaft yükü, eksenel: 120 N
Öz güç tüketimi: typ. 50 mA
Güç tüketimi: azami 0,5 W
Öz güç tüketimi: typ. 80 mA
Güç tüketimi: azami 0,44 W
Talep ettiğiniz STEP dosyası belirtilmemiş:
STEP dosyası talebi burada
| Tanımlama | |
|---|---|
| L2 | eksenel, Ekran enkoder gövdesine kabloyla bağlı |
| S- (GND) | WH |
| S+ (DCin) | BN |
| A (DATA+) | GY |
| B (DATA-) | PK |
| PRESET | BU |
| DIR | RD |
| Ekran | gövde |
Talep ettiğiniz STEP dosyası belirtilmemiş:
STEP dosyası talebi burada
| Tanımlama | |
|---|---|
| L3 | radyal, Ekran enkoder gövdesine kabloyla bağlı |
| S- (GND) | WH |
| S+ (DCin) | BN |
| A (DATA+) | GY |
| B (DATA-) | PK |
| PRESET | BU |
| DIR | RD |
| Ekran | gövde |
Talep ettiğiniz STEP dosyası belirtilmemiş:
STEP dosyası talebi burada
| Tanımlama | |
|---|---|
| K1 | radyal, Ekran açık |
| S- (GND) | WH |
| S+ (DCin) | BN |
| A (DATA+) | GY |
| B (DATA-) | PK |
| PRESET | BU |
| DIR | RD |
| Ekran | gövde açık |
Talep ettiğiniz STEP dosyası belirtilmemiş:
STEP dosyası talebi burada
| Tanımlama | |
|---|---|
| CB8 | eksenel, 8 kutuplu, Ekran enkoder gövdesine kabloyla bağlı |
Talep ettiğiniz STEP dosyası belirtilmemiş:
STEP dosyası talebi burada
| Tanımlama | |
|---|---|
| CC8 | radyal, 8 kutuplu, Ekran enkoder gövdesine kabloyla bağlı |
Talep ettiğiniz STEP dosyası belirtilmemiş:
STEP dosyası talebi burada
| Tanımlama | |
|---|---|
| CH8 | radyal, 8 kutuplu, Ekran enkoder gövdesine kabloyla bağlı |
Talep ettiğiniz STEP dosyası belirtilmemiş:
STEP dosyası talebi burada
| Tanımlama | |
|---|---|
| C5 | radyal, 12 kutuplu, Ekran enkoder gövdesine kabloyla bağlı |

- Absolute encoders with flange Ø 36 mm / Ø 58 mm
- Single-/Multiturn (16/43 bit)
- Ground-breaking technology 32 Bit processor
- Very high shaft loading, IP67
- EnDra® Multiturn technology: No gears, no battery
- QuattroMag® Singleturn technology: High precision +/- 0,0878°

- Incremental and absolute encoders
- Digital shaft copying
- Made in Germany
- Motorfeedback
- Position Measurement Systems

Kablo kutusu KI-8-67-EIA:
Absolute enkoder WDGA RS485'ye uygun
CB8 ve CC8 fiş çıkışlı, 8 kutuplu, IP67 fiş çıkışlı
Ekranlı kabloyla, hazır yapılmış,
konektör (kadın) düz, ekran üzerinde.

Kablo kutusu KIA-8-67-EIA:
Absolute enkoder WDGA RS485'ye uygun
CB8 ve CC8 fiş çıkışlı, 8 kutuplu, IP67 fiş çıkışlı
Ekranlı kabloyla, hazır yapılmış,
konektör (kadın) açılı, ekran üzerinde.

konektör (kadın) KD-12-67-EIA:
Absolute enkoder WDGA RS485'ye uygun
C5 fiş çıkışlı, 12 kutuplu, IP67 fiş çıkışlı
Konektör (kadın) veya
kabloyla, hazır yapılmış, konektör (kadın) düz

Kablo kutusu KDA-12-67-EIA:
Absolute enkoder WDGA RS485'ye uygun
C5 fiş çıkışlı, 12 kutuplu, IP67 fiş çıkışlı
Konektör (kadın) açılı veya
kabloyla, hazır yapılmış, konektör (kadın) açılı.
Konektör (kadın) arzu edildiği gibi monte edilebilir.

Gergi eksantriği SP-3-00
Artımlı döner enkoder WDG 40A, 50B, 58T, WDGI 58A, 58B, 58C, 58D, 58K, 63B, WDGP 36A, WDGP 58A, WDGP 58B uve mutlak döner enkoder WDGA 36A, WDGA 58A, WDGA 58B'ye uygun.

Adaptör flanşı MG58A
Artımlı döner enkoder WDGI 58A ve mutlak döner enkoder WDGA 58A'ye uygun.

Yaylı rondela tipi kaplinler FSK22
Ø 6 mm, Ø 10 mm veya Ø 12 mm şaftlı döner enkoder için

Körük kaplinler BK29
Ø 6 mm, 8 mm, 10 mm veya 12 mm şaftlı döner enkoder için*.
Azami şaft deplasmanı, radyal: ± 0,25 mm veya ± 0,30 mm*
Torsiyon yayı gerginliği: 150 Nm/rad veya 130 Nm/rad*

Körük kaplinler FB29B
Ø 4 mm, 6 mm, 8 mm, 10 mm veya Ø 12 mm şaftlı döner enkoder için

Çift döngülü kaplin DSK29
Ø 6 mm, 8 mm, veya 10 mm şaftlı döner enkoder için.
Hareketli aksam yok, ısıl ve elektrik yalıtımlı, sessiz çalıma, bakım gerektirmez.
Aşağıdakilere güçlü direnç:
Benzin, yağ, benzen, toluen, aromatik veya aromatik olmayan hidrokarbonlar, alkoller, glikol, solventler ve birçok kimyasal.

Çift döngülü kaplin DSK38
Ø 6 mm, 8 mm, 10 mm veya 12 mm şaftlı döner enkoder için.
Hareketli aksam yok, ısıl ve elektrik yalıtımlı, sessiz çalıma, bakım gerektirmez.
Aşağıdakilere güçlü direnç:
Benzin, yağ, benzen, toluen, aromatik veya aromatik olmayan hidrokarbonlar, alkoller, glikol, solventler ve birçok kimyasal.

Çift döngülü kaplin DSK48
Ø 10 mm, 12 mm, veya 14 mm şaftlı döner enkoder için.
Hareketli aksam yok, ısıl ve elektrik yalıtımlı, sessiz çalıma, bakım gerektirmez.
Aşağıdakilere güçlü direnç:
Benzin, yağ, benzen, toluen, aromatik veya aromatik olmayan hidrokarbonlar, alkoller, glikol, solventler ve birçok kimyasal.

Ölçüm tekerleği MR150GR06
Kapsam: 150 mm,
Kaplama: O-Ring 3,5 mm breit, Material NBR70
Kullanım alanları: Ahşap, metal, taşıma bantları, kağıt, tekstil.
Ø 6 mm şaftlı döner enkoder için.

Ölçüm tekerleği MRA200GR10
Çevresi: 200 mm,
Astar: 3,5 mm genişliğinde O-ring, malzeme NBR70
Uygulama alanları: Ahşap, boyalı yüzeyler, kağıt, plastik.
Ø 10 mm şaftlı döner enkoderler için.

Ölçüm tekerlekleri MRA200KR
Kapsam 200 mm,
Kaplama: Tırtıllı
Kullanım alanları: Karton, ahşap, tekstil ürünleri, kauçuk, yumuşak sentetikler.
Ø 6 mm, Ø 10 mm veya Ø 12 mm şaftlı döner enkoder için.

Ölçüm tekerlekleri MRA200KH
Kapsam 200 mm,
Kaplama: Sentetik (poliüretan, düz)
Kullanım alanları: greslenmiş metaller, çelik profiller, cilalı yüzeyler, sentetik ürünler, kağıt, karton, ahşap, tekstil ürünleri, tel, deri.
Ø 6 mm, Ø 10 mm veya Ø 12 mm şaftlı döner enkoder için.

Ölçüm tekerlekleri MR200KH
Kapsam 200 mm,
Kaplama: Sentetik (hytrel, düz)
Kullanım alanları: Plastik, boyalı yüzeyler, kağıt, karton, ahşap, metal, tekstil.
Ø 6 mm veya Ø 10 mm şaftlı döner enkoder için.

Ölçüm tekerlekleri MRA200NG
Kapsam 200 mm,
Kaplama: Sentetik (Poliüretan, yumrulu)
Kullanım alanları: kaba tekstil ürünleri, halı, kablo ölçümü, yapağı, kağıt, karton, ahşap, sentetik ürünler.
Ø 6 mm, Ø 10 mm veya Ø 12 mm şaftlı döner enkoder için.

Ölçüm tekerlekleri MR200KG
Kapsam 200 mm,
Kaplama: Sentetik (hytrel, oluklu)
Kullanım alanları: Plastik, boyalı yüzeyler, kağıt, karton, ahşap, metal, tekstil.
Ø 6 mm veya Ø 10 mm şaftlı döner enkoder için.

Ölçüm tekerlekleri MRA200KG
Kapsam 200 mm,
Kaplama: Sentetik (poliüretan, oluklu)
Kullanım alanları: Greslenmemiş metal, cilalı yüzeyler, kağıt, karton, ahşap tekstil ürünleri, cam, zemin kaplamaları.
Ø 6 mm, Ø 10 mm veya Ø 12 mm şaftlı döner enkoder için.

Ölçüm tekerleği MR500KH
Kapsam 500 mm,
Kaplama: Sentetik (hytrel, düz)
Kullanım alanları: Plastik, boyalı yüzeyler, kağıt, karton, ahşap, metal, tekstil.
Ø 10 mm şaftlı döner enkoder için.

Ölçüm tekerlekleri MRA500KH
Kapsam 200 mm,
Kaplama: Sentetik (poliüretan, düz)
Kullanım alanları: greslenmiş metaller, çelik profiller, cilalı yüzeyler, sentetik ürünler, kağıt, karton, ahşap, tekstil ürünleri, tel, deri.
Ø 10 mm veya Ø 12 mm şaftlı döner enkoder için.

Ölçüm tekerleği MR500KG
Kapsam 500 mm,
Kaplama: Sentetik (hytrel, oluklu)
Kullanım alanları: Plastik, boyalı yüzeyler, kağıt, karton, ahşap, metal, tekstil.
Ø 10 mm şaftlı döner enkoder için.

Ölçüm tekerlekleri MRA500KG
Kapsam 500 mm,
Kaplama: Sentetik (poliüretan, oluklu)
Kullanım alanları: Greslenmemiş metal, cilalı yüzeyler, kağıt, karton, ahşap tekstil ürünleri, cam, zemin kaplamaları.
Ø 10 mm veya Ø 12 mm şaftlı döner enkoder için.

Ölçüm tekerlekleri MRA500NG
Kapsam 500 mm,
Kaplama: Sentetik (Poliüretan, yumrulu)
Kullanım alanları: kaba tekstil ürünleri, halı, kablo ölçümü, yapağı, kağıt, karton, ahşap, sentetik ürünler.
Ø 10 mm veya Ø 12 mm şaftlı döner enkoder için.

Ölçüm tekerlekleri MRA500KR
Kapsam 500 mm,
Kaplama: Tırtıllı
Kullanım alanları: karton, ahşap, tekstil ürünleri, yumuşak sentetikler, kauçuk .
Ø 10 mm veya Ø 12 mm şaftlı döner enkoder için.

Ölçüm tekerleği MR500KV
Kapsam 500 mm,
Kaplama: Sentetik (Vulkollan®, düz)
Kullanım alanları: Sentetik ürünler, cilalı yüzeyler, kağıt, karton, ahşap, metaller, tel.
Ø 10 mm şaftlı döner enkoder için.
Enkoder WDGA 58A RS485 yüksek tam IP67 koruma sınıfıyla da teslim edilebilir.
(full IP67 only connection CB8, CC8, CH8, C5, L2 or L3 version; not cable connection K1 = IP40).
Azami çalışma hızı: 3500 dev/dak.
İzin verilen yatak yükleri: radyal 110 N, eksenel 100 N
Başlangıç torku: oda sıcaklığında yakl. 4 Ncm
WDGA 58A RS485 şaft: Ø 6 mm kısaltılmış şaft L = 10 mm ile de mevcuttur.
Here you find a list of our distributors worldwide



































