Absolute Enkoder IO-Link WDGA 58B,
Geçmeli Flanş / Gövde Çapı 58 mm
16/43-bit Single-/Multiturn;
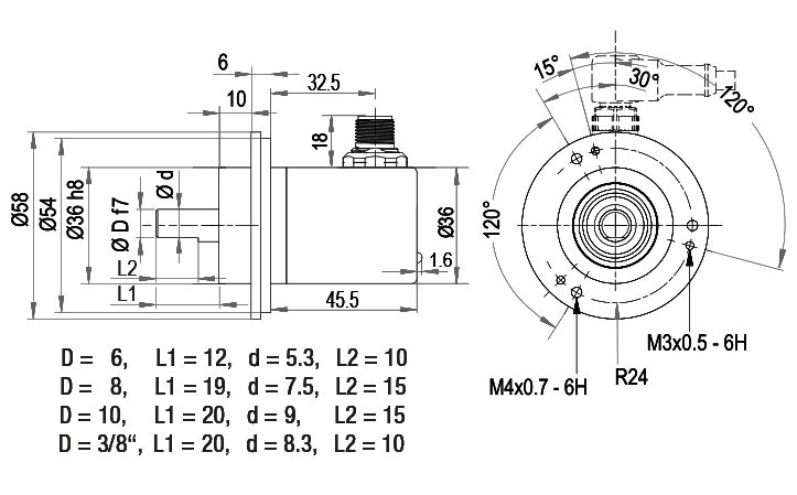
Mil Çapı: Ø 6 mm, Ø 8 mm, Ø 3/8" (9.525 mm), Ø 10 mm;
Cihaz profili Smart Sensor Profile (SSP);
Binary Code

- EnDra®: Bakım gerektirmez, çevre dostu
- IO-Link, Single-turn ve Multi-turn
- Cihaz profili Smart Sensor Profile (SSP)
- Singleturn / Multiturn (azami 16 bit / 43 bit)
- 32 bit işlemcili, geleceğe dönük teknoloji
- Çalışma durumu ve Hata mesajı için gösterge olarak LED
- Güç kaynağının izlenmesi
- Histerese sahip konum ve hız için kam anahtarları
- En yüksek yatak yükleri; radyal 220 N, eksenel 120 N
16.384 adım/360° (14 bit)
Multiturn çözünürlük262.144 devre kadar (18 bit) yüksek hassasiyet değeriyle 39 bite kadar.
Not: Dikkat: Seçenek yok AAO = Tam IP67
Şaft uzunluğu: L: 12 mm
Azami şaft yükü, radyal: 125 N
Azami şaft yükü, eksenel: 120 N
Not: Dikkat: Seçenek yok AAO = Tam IP67
Şaft uzunluğu: L: 19 mm
Azami şaft yükü, radyal: 125 N
Azami şaft yükü, eksenel: 120 N
Not: Dikkat: Seçenek yok AAO = Tam IP67
Şaft uzunluğu: L: 20 mm
Azami şaft yükü, radyal: 220 N
Azami şaft yükü, eksenel: 120 N
Şaft uzunluğu: L: 20 mm
Azami şaft yükü, radyal: 220 N
Azami şaft yükü, eksenel: 120 N
Öz güç tüketimi: typ. 30 mA
Güç tüketimi: azami 0,6 W
Talep ettiğiniz STEP dosyası belirtilmemiş:
STEP dosyası talebi burada
| Tanımlama | |
|---|---|
| IB5 | eksenel, 5 kutuplu, Ekran enkoder gövdesine kabloyla bağlı |
Talep ettiğiniz STEP dosyası belirtilmemiş:
STEP dosyası talebi burada
| Tanımlama | |
|---|---|
| IC5 | radyal, 5 kutuplu, Ekran enkoder gövdesine kabloyla bağlı |

- Absolute encoders with flange Ø 36 mm / Ø 58 mm
- Single-/Multiturn (16/43 bit)
- Ground-breaking technology 32 Bit processor
- Very high shaft loading, IP67
- EnDra® Multiturn technology: No gears, no battery
- QuattroMag® Singleturn technology: High precision +/- 0,0878°

- Incremental and absolute encoders
- Digital shaft copying
- Made in Germany
- Motorfeedback
- Position Measurement Systems

The future of steel production with smart sensor technology.

IODD file for encoder absolute WDGA IO-Link
By downloading and using software and apps
from this homepage, I agree to the GTC and
the supplementary software clause.

Bağlantı braketi MW58B
Artımlı döner enkoder WDGI 58B, 58K, 58D, 58N, WDG 58T
ve mutlak döner enkoder WDGA 58B, WDGA 58D'ye uygun.

Çeyrek flanş QF58B
Artımlı döner enkoder WDGI 58B, 58K, 58D, 58N, WDG 58T
ve mutlak döner enkoder WDGA 58B, WDGA 58D'ye uygun.

Çeyrek flanş WDGQF58B04
Artımlı döner enkoder WDGI 58B, 58K, 58D, 58N, WDG 58T
ve mutlak döner enkoder WDGA 58B, WDGA 58D'ye uygun.

Gergi eksantriği SP-3-00
Artımlı döner enkoder WDG 40A, 50B, 58T, WDGI 58A, 58B, 58C, 58D, 58K, 63B, WDGP 36A, WDGP 58A, WDGP 58B uve mutlak döner enkoder WDGA 36A, WDGA 58A, WDGA 58B'ye uygun.

Yaylı rondela tipi kaplinler FSK22
Ø 6 mm, Ø 10 mm veya Ø 12 mm şaftlı döner enkoder için

Körük kaplinler BK29
Ø 6 mm, 8 mm, 10 mm veya 12 mm şaftlı döner enkoder için*.
Azami şaft deplasmanı, radyal: ± 0,25 mm veya ± 0,30 mm*
Torsiyon yayı gerginliği: 150 Nm/rad veya 130 Nm/rad*

Körük kaplinler FB29B
Ø 4 mm, 6 mm, 8 mm, 10 mm veya Ø 12 mm şaftlı döner enkoder için

Çift döngülü kaplin DSK29
Ø 6 mm, 8 mm, veya 10 mm şaftlı döner enkoder için.
Hareketli aksam yok, ısıl ve elektrik yalıtımlı, sessiz çalıma, bakım gerektirmez.
Aşağıdakilere güçlü direnç:
Benzin, yağ, benzen, toluen, aromatik veya aromatik olmayan hidrokarbonlar, alkoller, glikol, solventler ve birçok kimyasal.

Çift döngülü kaplin DSK38
Ø 6 mm, 8 mm, 10 mm veya 12 mm şaftlı döner enkoder için.
Hareketli aksam yok, ısıl ve elektrik yalıtımlı, sessiz çalıma, bakım gerektirmez.
Aşağıdakilere güçlü direnç:
Benzin, yağ, benzen, toluen, aromatik veya aromatik olmayan hidrokarbonlar, alkoller, glikol, solventler ve birçok kimyasal.

Çift döngülü kaplin DSK48
Ø 10 mm, 12 mm, veya 14 mm şaftlı döner enkoder için.
Hareketli aksam yok, ısıl ve elektrik yalıtımlı, sessiz çalıma, bakım gerektirmez.
Aşağıdakilere güçlü direnç:
Benzin, yağ, benzen, toluen, aromatik veya aromatik olmayan hidrokarbonlar, alkoller, glikol, solventler ve birçok kimyasal.

Çizgisel kompansasyonlu döner enkoder tutucu 58B, 58D, 58K, 58N ve 58T döner enkoderleri için.
uzunluk ölçümü için

Ölçüm tekerleği MR150GR06
Kapsam: 150 mm,
Kaplama: O-Ring 3,5 mm breit, Material NBR70
Kullanım alanları: Ahşap, metal, taşıma bantları, kağıt, tekstil.
Ø 6 mm şaftlı döner enkoder için.

Ölçüm tekerleği MRA200GR10
Çevresi: 200 mm,
Astar: 3,5 mm genişliğinde O-ring, malzeme NBR70
Uygulama alanları: Ahşap, boyalı yüzeyler, kağıt, plastik.
Ø 10 mm şaftlı döner enkoderler için.

Ölçüm tekerlekleri MRA200KR
Kapsam 200 mm,
Kaplama: Tırtıllı
Kullanım alanları: Karton, ahşap, tekstil ürünleri, kauçuk, yumuşak sentetikler.
Ø 6 mm, Ø 10 mm veya Ø 12 mm şaftlı döner enkoder için.

Ölçüm tekerlekleri MR200KH
Kapsam 200 mm,
Kaplama: Sentetik (hytrel, düz)
Kullanım alanları: Plastik, boyalı yüzeyler, kağıt, karton, ahşap, metal, tekstil.
Ø 6 mm veya Ø 10 mm şaftlı döner enkoder için.

Ölçüm tekerlekleri MRA200KH
Kapsam 200 mm,
Kaplama: Sentetik (poliüretan, düz)
Kullanım alanları: greslenmiş metaller, çelik profiller, cilalı yüzeyler, sentetik ürünler, kağıt, karton, ahşap, tekstil ürünleri, tel, deri.
Ø 6 mm, Ø 10 mm veya Ø 12 mm şaftlı döner enkoder için.

Ölçüm tekerlekleri MRA200NG
Kapsam 200 mm,
Kaplama: Sentetik (Poliüretan, yumrulu)
Kullanım alanları: kaba tekstil ürünleri, halı, kablo ölçümü, yapağı, kağıt, karton, ahşap, sentetik ürünler.
Ø 6 mm, Ø 10 mm veya Ø 12 mm şaftlı döner enkoder için.

Ölçüm tekerlekleri MR200KG
Kapsam 200 mm,
Kaplama: Sentetik (hytrel, oluklu)
Kullanım alanları: Plastik, boyalı yüzeyler, kağıt, karton, ahşap, metal, tekstil.
Ø 6 mm veya Ø 10 mm şaftlı döner enkoder için.

Ölçüm tekerlekleri MRA200KG
Kapsam 200 mm,
Kaplama: Sentetik (poliüretan, oluklu)
Kullanım alanları: Greslenmemiş metal, cilalı yüzeyler, kağıt, karton, ahşap tekstil ürünleri, cam, zemin kaplamaları.
Ø 6 mm, Ø 10 mm veya Ø 12 mm şaftlı döner enkoder için.

Ölçüm tekerlekleri MRA500KR
Kapsam 500 mm,
Kaplama: Tırtıllı
Kullanım alanları: karton, ahşap, tekstil ürünleri, yumuşak sentetikler, kauçuk .
Ø 10 mm veya Ø 12 mm şaftlı döner enkoder için.

Ölçüm tekerleği MR500KH
Kapsam 500 mm,
Kaplama: Sentetik (hytrel, düz)
Kullanım alanları: Plastik, boyalı yüzeyler, kağıt, karton, ahşap, metal, tekstil.
Ø 10 mm şaftlı döner enkoder için.

Ölçüm tekerlekleri MRA500KH
Kapsam 200 mm,
Kaplama: Sentetik (poliüretan, düz)
Kullanım alanları: greslenmiş metaller, çelik profiller, cilalı yüzeyler, sentetik ürünler, kağıt, karton, ahşap, tekstil ürünleri, tel, deri.
Ø 10 mm veya Ø 12 mm şaftlı döner enkoder için.

Ölçüm tekerleği MR500KG
Kapsam 500 mm,
Kaplama: Sentetik (hytrel, oluklu)
Kullanım alanları: Plastik, boyalı yüzeyler, kağıt, karton, ahşap, metal, tekstil.
Ø 10 mm şaftlı döner enkoder için.

Ölçüm tekerlekleri MRA500KG
Kapsam 500 mm,
Kaplama: Sentetik (poliüretan, oluklu)
Kullanım alanları: Greslenmemiş metal, cilalı yüzeyler, kağıt, karton, ahşap tekstil ürünleri, cam, zemin kaplamaları.
Ø 10 mm veya Ø 12 mm şaftlı döner enkoder için.

Ölçüm tekerlekleri MRA500NG
Kapsam 500 mm,
Kaplama: Sentetik (Poliüretan, yumrulu)
Kullanım alanları: kaba tekstil ürünleri, halı, kablo ölçümü, yapağı, kağıt, karton, ahşap, sentetik ürünler.
Ø 10 mm veya Ø 12 mm şaftlı döner enkoder için.

Ölçüm tekerleği MR500KV
Kapsam 500 mm,
Kaplama: Sentetik (Vulkollan®, düz)
Kullanım alanları: Sentetik ürünler, cilalı yüzeyler, kağıt, karton, ahşap, metaller, tel.
Ø 10 mm şaftlı döner enkoder için.
Enkoder WDGA 58B IO-Link yüksek IP67 koruma sınıfıyla da teslim edilebilir.
Azami çalışma hızı: 3500 dev/dak.
İzin verilen yatak yükleri: radyal 110 N, eksenel 100 N
Başlangıç torku: oda sıcaklığında yakl. 4 Ncm
Here you find a list of our distributors worldwide






























