deenfresitcntr
WDGN 58A

Smartphone (NFC) ile yapılandırılabilen Enkoder artımlı,
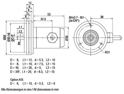
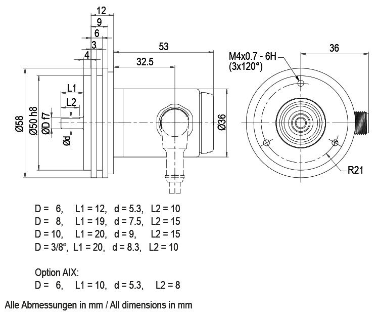
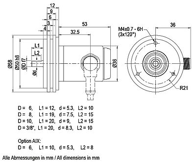
Senkron Flanş / Gövde Çapı 58 mm

Mil Çapı: 6 mm, 8 mm, 3/8" (9.525 mm), 10 mm,
Çözünürlük: NFC ile yapılandırılabilen 16384 PPR'ye kadar,
NFC ile yapılandırılabilen çıkış devresi: HTL / TTL, / RS 422 uyumlu,
İşlev ilkesi: manyetik.

Veri föyüGeneral technical Data and safety instructions incremental encoders WDGN (PDF 791 kB)
Öne çıkanlar
  • Yüksek kaliteli elektronikler sayesinde 16384'e kadar herhangi bir sayıda darbe NFC üzerinden yapılandırılabilir
  • NFC ile yapılandırılabilir HTL/TTL
  • Koruma sınıfı IP67, şaft girişinde IP65
  • 1 MHz'e kadar yüksek çıkış frekansı
  • 4,75 VDC ila 32 VDC'de ters polarite koruması ve kısa devre koruması
Ürün ayrıntıları
Flanş
Senkron Flanş
Çözünürlük (PPR)
1 PPR -16384 PPR
Gövde
Ø 58 mm
Paslanmaz çelik, NFC cover: Thermoplastic polyamide
Şaft
Ø 6 mm
Not: Dikkat: Seçenek yok AAO = Tam IP67
Şaft uzunluğu: L: 12 mm
Azami şaft yükü, radyal: 125 N
Azami şaft yükü, eksenel: 120 N
Ø 8 mm
Şaft uzunluğu: L: 19 mm
Azami şaft yükü, radyal: 125 N
Azami şaft yükü, eksenel: 120 N
Ø 9,525 mm [Ø 3/8"] Order No: 4Z
Şaft uzunluğu: L: 20 mm
Azami şaft yükü, radyal: 220 N
Azami şaft yükü, eksenel: 120 N
Ø 10 mm
Şaft uzunluğu: L: 20 mm
Azami şaft yükü, radyal: 220 N
Azami şaft yükü, eksenel: 120 N
Azami çalışma hızı
8000 dev/dak.
İşlev ilkesi
manyetik
Çıkış devresi
HTL
HTL, ters çev.
TTL
TTL, RS422 uyumlu, ters çev.
Çıkış frekansı
HTL ila 16384 PPR, azami 600 kHz
TTL ila 16384 PPR, azami 1 MHz
Çalışma gerilimi
4,75 VDC ila 32 VDC
Öz güç tüketimi: typ. 80 mA

Nullimpuls setzen:

Setzen: SET = +UB für 2 s
Deaktiviert: SET = GND

Configurable via NFC:

BASIC: (BAS)

Kanallar:

ABN ve ters çevrimli sinyaller

HTL / TTL

serbestçe seçilebilir

Pulses / revolution:

1 PPR to 16384 PPR freely selectable

Advanced (ADV):

Kanallar:

4 kanal yapılandırılabilir + ters çevrilmiş sinyaller (ABN mümkün)

HTL / TTL:

serbestçe seçilebilir

Pulses / revolution:

1 PPR to 16384 PPR freely selectable

Number of pulses for each channel:

individually selectable

Sıfır darbe ayarla:

Evet

Pulse width and position:

Width and position adjustable

Çevre verileri

Noise immunity:

ESD (DIN EN 61000-4-2):

8 kV

EMC:
(DIN EN 61000-4-3):

10 V/m

Burst (DIN EN 61000-4-4):

2 kV

High frequency fields
(DIN EN 61000-4-6):

10 V

Surge (DIN EN 61000-4-5):

2 kV

Radio interference:

DIN EN 55011 uyarınca

NFC:

EMC:

ETSI EN 301 489 uyarınca

RED:

ETSI EN 300 330 uyarınca

Electrical safety:

DIN EN 61010-1 (VDE 0411-1) / IEC 61010-1 / UL 61010-1 / CSA C22.0 No 61010-1-12 

Titreşim:
(DIN EN 60068-2-6)

300 m/s2 (10 Hz up to 2000 Hz)

Shock:
(DIN EN 60068-2-27)

1000 m/s2 (6 ms)

Customs information

Customs tariff number:

90318020

Country of origin:

Germany

Çalışma sıcaklığı
Fiş çıkışı: -40 °C ila +85 °C, kablo çıkışı: -20 °C ila +80 °C
Koruma sınıfı
Gövde: IP65, IP67; şaft girişi: IP65; kablo girişi K1: IP40
Tüm ölçüler mm'dir
STEP Görüntüleyici / STEP dosyaları:

Talep ettiğiniz STEP dosyası belirtilmemiş:
STEP dosyası talebi burada

TanımlamaABN ters çevirim mümkün
L2eksenel, Ekran enkoder gövdesine kabloyla bağlı
Bağlantı tahsisleri
 L2
DevreBAS
GNDWH
(+) VccBN
AGN
BYE
NGY
A ters çev.RD
B ters çev.BK
N ters çev.VT
EkranTel
Tüm ölçüler mm'dir
STEP Görüntüleyici / STEP dosyaları:

Talep ettiğiniz STEP dosyası belirtilmemiş:
STEP dosyası talebi burada

TanımlamaABN ters çevirim mümkün
L2eksenel, Ekran enkoder gövdesine kabloyla bağlı
Bağlantı tahsisleri
 L2
DevreADV
GNDWH
(+) VccBN
CH1GN
CH2YE
CH3GY
CH4GYPK
SETPK
CH1 ters çev.RD
CH2 ters çev.BK
CH3 ters çev.VT
CH4 ters çev.RDBU
EkranTel
Tüm ölçüler mm'dir
STEP Görüntüleyici / STEP dosyaları:

Talep ettiğiniz STEP dosyası belirtilmemiş:
STEP dosyası talebi burada

TanımlamaABN ters çevirim mümkün
L3radyal, Ekran enkoder gövdesine kabloyla bağlı
Bağlantı tahsisleri
 L3
DevreBAS
GNDWH
(+) VccBN
AGN
BYE
NGY
A ters çev.RD
B ters çev.BK
N ters çev.VT
EkranTel
Tüm ölçüler mm'dir
STEP Görüntüleyici / STEP dosyaları:

Talep ettiğiniz STEP dosyası belirtilmemiş:
STEP dosyası talebi burada

TanımlamaABN ters çevirim mümkün
L3radyal, Ekran enkoder gövdesine kabloyla bağlı
Bağlantı tahsisleri
 L3
DevreADV
GNDWH
(+) VccBN
CH1GN
CH2YE
CH3GY
CH4GYPK
SETPK
CH1 ters çev.RD
CH2 ters çev.BK
CH3 ters çev.VT
CH4 ters çev.RDBU
EkranTel
Tüm ölçüler mm'dir
STEP Görüntüleyici / STEP dosyaları:

Talep ettiğiniz STEP dosyası belirtilmemiş:
STEP dosyası talebi burada

TanımlamaABN ters çevirim mümkün
K1radyal, Ekran açık (IP40)
Bağlantı tahsisleri
 K1
DevreBAS
GNDWH
(+) VccBN
AGN
BYE
NGY
A ters çev.RD
B ters çev.BK
N ters çev.VT
EkranTel
Tüm ölçüler mm'dir
STEP Görüntüleyici / STEP dosyaları:

Talep ettiğiniz STEP dosyası belirtilmemiş:
STEP dosyası talebi burada

TanımlamaABN ters çevirim mümkün
K1radyal, Ekran açık (IP40)
Bağlantı tahsisleri
 K1
DevreADV
GNDWH
(+) VccBN
CH1GN
CH2YE
CH3GY
CH4GYPK
SETPK
CH1 ters çev.RD
CH2 ters çev.BK
CH3 ters çev.VT
CH4 ters çev.RDBU
EkranTel
Tüm ölçüler mm'dir
STEP Görüntüleyici / STEP dosyaları:

Talep ettiğiniz STEP dosyası belirtilmemiş:
STEP dosyası talebi burada

TanımlamaABN ters çevirim mümkün
SB8eksenel, 8 kutuplu, Fiş enkoder gövdesine kabloyla bağlı
Bağlantı tahsisleri
SB8
  8 kutuplu
Konektör çizimi
DevreBAS
GND1
(+) Vcc2
A3
B4
N5
A ters çev.6
B ters çev.7
N ters çev.8
Tüm ölçüler mm'dir
STEP Görüntüleyici / STEP dosyaları:

Talep ettiğiniz STEP dosyası belirtilmemiş:
STEP dosyası talebi burada

TanımlamaABN ters çevirim mümkün
SB12eksenel, 12 kutuplu, Fiş enkoder gövdesine kabloyla bağlı
Bağlantı tahsisleri
SB12
  12 kutuplu
Konektör çizimi
DevreADV
GND3
(+) Vcc1
CH14
CH26
CH38
CH411
SET5
CH1 ters çev.9
CH2 ters çev.7
CH3 ters çev.10
CH4 ters çev.12
bağlı değil2
Tüm ölçüler mm'dir
STEP Görüntüleyici / STEP dosyaları:

Talep ettiğiniz STEP dosyası belirtilmemiş:
STEP dosyası talebi burada

TanımlamaABN ters çevirim mümkün
SC8radyal, 8 kutuplu, Fiş enkoder gövdesine kabloyla bağlı
Bağlantı tahsisleri
SC8
  8 kutuplu
Konektör çizimi
DevreBAS
GND1
(+) Vcc2
A3
B4
N5
A ters çev.6
B ters çev.7
N ters çev.8
Tüm ölçüler mm'dir
STEP Görüntüleyici / STEP dosyaları:

Talep ettiğiniz STEP dosyası belirtilmemiş:
STEP dosyası talebi burada

TanımlamaABN ters çevirim mümkün
SC12radyal, 12 kutuplu, Fiş enkoder gövdesine kabloyla bağlı
Bağlantı tahsisleri
SC12
  12 kutuplu
Konektör çizimi
DevreADV
GND3
(+) Vcc1
CH14
CH26
CH38
CH411
SET5
CH1 ters çev.9
CH2 ters çev.7
CH3 ters çev.10
CH4 ters çev.12
bağlı değil2
yapılandırılabilir 1-16384 PPR
Çalışma gerilimi VDC
4,75 - 32 VDC
Çalışma akımı
typ. 80 mA
Sinyal biçimi
dik açılı
Çıkış devresi
yapılandırılabilir HTL, TTL (A,B,N+ters çevrimli sinyaller)
Kanallar
AB, ABN, ve ters çevrimli sinyaller
Çıkış
it-çek
Yük
azami 40 mA / kanal
Düzey mA
20 mA'da
Düzey H>
HTL: H > UB - 2,5 VDC; TTL: H > 2,5 VDC
Düzey L<
L < 2,5 VDC
Çıkış frekansı
HTL: azami 600 kHZ; TTL: azami 1 MHz
Çıkış koruması
hayır
Erken uyarı çıkışı
hayır
Çalışma gerilimi VDC
4,75 - 32 VDC
Çalışma akımı
typ. 80 mA
Sinyal biçimi
dik açılı
Çıkış devresi
yapılandırılabilir HTL, TTL; 4 kanal + ters çevrilmiş
Kanallar
CH1, CH2, CH3, CH4, ve ters çevrimli sinyaller, (ABN mümkün)
Çıkış
it-çek
Yük
azami 40 mA / kanal
Düzey mA
20 mA'da
Düzey H>
HTL: H > UB - 2,5 VDC; TTL: H > 2,5 VDC
Düzey L<
L < 2,5 VDC
Çıkış frekansı
HTL: azami 600 kHZ; TTL: azami 1 MHz
Çıkış koruması
hayır
Erken uyarı çıkışı
hayır
Enkoder WDGN 58A özellikle hafif çalışır vericiyle de tedarik edilir. Bu durumda, başlangıç torku ≤ 0,5 Ncm olarak ve şaft girişindeki koruma türü IP50 olarak değişir.

Enkoder WDGN 58A yüksek IP67 koruma sınıfıyla da teslim edilebilir.
(full IP67 only connection SB, SC, L2 or L3 version; not cable connection L1 = IP40).
Azami çalışma hızı:          3500 dev/dak.
İzin verilen yatak yükleri: radyal 110 N, eksenel 100 N
Başlangıç torku:              oda sıcaklığında yakl. 4 Ncm

Enkoder WDGN 58A şaft: Ø 6 mm kısaltılmış şaft L = 10 mm ile de mevcuttur.

Enkoder WDGN 58A 2 metreden fazla kabloyla da mevcuttur. Azami kablo boyu çalışma gerilimine ve frekansa bağlıdır; bkz. 'Genel teknik veriler'
Sipariş sırasında, lütfen sipariş numarasını boyu desimetre olarak belirten 3 basamaklı bir sayıyla tamamlayın.
Örnek: 5 m kablo uzunluğu = 050
General technical Data and safety instructions incremental encoders WDGN
General technical Data and safety instructions incremental encoders WDGN

App Icon WACHENDORFF WDGN
Wachendorff App iOS encoder WDGN

QR-Code Wachendorff WDGN App IOS

external link Download Wachendorff App IOS Encoder WDGN

By downloading and using software and apps
from this homepage, I agree to the GTC and
the supplementary software clause.

App Icon WACHENDORFF WDGN
Google Play Store Android - Wachendorff encoder App WDGN

QR-Wachendorff-WDGN-App-Adroid 

external link Downloadlink Wachendorff App Android encoder WDGN

By downloading and using software and apps
from this homepage, I agree to the GTC and
the supplementary software clause.

App Icon WACHENDORFF WDGN
AppGallery Huawei - Wachendorff App encoder WDGN

Wachendorff App Huawei Drehgeber WDGN 

external link Downloadlink Wachendorff App Huawei Encoder WDGN

By downloading and using software and apps
from this homepage, I agree to the GTC and
the supplementary software clause.

Manual WDGN App
Setup incremental encoder WDGN

NFC configurable via Wachendorff App (IOS, Android, Huawei)

Configuration tool (Windows) for encoders WDGN
Configuration tool (Windows) for encoders WDGN

Handout Configurable encoder WDGN

As simple and secure as contactless payment

Kurzkatalog Drehgeber - Short catalogue encoders
Short-Catalogue Encoders and systems

  • Incremental and absolute encoders
  • Digital shaft copying
  • Made in Germany
  • Motorfeedback
  • Position Measurement Systems

Delivery times and service
Delivery times and service

of Wachendorff Automation GmbH & Co. KG

Montageanleitung WDGN
Montaj talimatları: Artımlı enkoderler WDGN

Whitepaper optisch und magnetisch Inkremental
Whitepaper


Comparison of optical and magnetic incremental encoders

EU - Konformitätserklärung Inkremental-Drehimpulsgeber WDGN
EU declaration of conformity incremental encoder WDGN

UKCA declaration of conformity incremental encoder WDGN
UKCA declaration of conformity incremental encoder WDGN

for Wachendorff Automation GmbH & Co. KG.

UL Certificates for Wachendorff Automation Products 2014-03-28
UL Certificates

for Wachendorff Automation products.

REACH regulation
REACH- and RoHS regulation of the EU

Informationen

ISO Certificate DIN EN 9001:2015
ISO Certificate DIN EN 9001:2015

NFC Desktop Reader
NFCUSBREADER

NFC Desktop Reader

for parameterizing all WDGN encoders via PC/notebook

Counter for incremental encoders, 1 MHz WDG553XDOM
WDG553XDOM

Artımlı enkoder için sayaç, 1 MHz

Artımlı enkoder sinyalleri için Yüksek Hızlı konum sayaçları ve diferansiyel sayaçlar

WDG012VGOM Verteiler Splitter
WDG012VGOM

Artımlı enkoder sinyalleri için

impuls şalteri, distribütörü ve dağıtıcı

KI867 Drehgeber Kabeldose
KI-8-67

Female connector KI-8-67:
Suitable for encoder with sensor connector outlet SB8 and SC8, 8 pin, IP67

Ready-made shielded connection cable with female cable connector straight,
shield connected.

KIA867 Drehgeber Kabeldose
KIA-8-67

Female connector KIA-8-67:
Suitable for encoder with sensor connector outlet SB8 and SC8, 8 pin, IP67

Ready-made shielded connection cable with female cable connector angular,
shield connected.

KI1267 Drehgeber Kabeldose
KI-12-67-ADV

Female connector KI-12-67-ADV:
Suitable for encoder WDGN configurable via NFC with sensor connector outlet SB12 and SC12, 12 pin, IP67

Ready-made shielded connection cable with female cable connector straight,
shield connected.

KIA1267 Drehgeber Kabeldose
KIA-12-67-ADV

Female connector KIA-12-67-ADV:
Suitable for encoder WDGN configurable via NFC with sensor connector outlet SB12 and SC12, 12 pin, IP67

Ready-made shielded connection cable with female cable connector angular,
shield connected.

SP300 Drehgeber Spannexzenter
SP-3-00

Gergi eksantriği SP-3-00

Artımlı döner enkoder WDG 40A, 50B, 58T, WDGI 58A, 58B, 58C, 58D, 58K, 63B, WDGP 36A, WDGP 58A, WDGP 58B uve mutlak döner enkoder WDGA 36A, WDGA 58A, WDGA 58B'ye uygun.

ST27 Kupplung Drehgeber
ST27

Fişli kaplinler ST27

Ø 6 mm veya Ø 10 mm şaftlı döner enkoder için

PK20 Kupplung Drehgeber
PK20

Köprü kaplinler PK20

Ø 6 mm şaftlı döner enkoder için

PK24 Kupplung Drehgeber
PK24

Köprü kaplinler PK24

für Drehgeber mit Wellen Ø 6 mm, 8 mm oder 10 mm.

FSK22 Kupplung Drehgeber
FSK22

Yaylı rondela tipi kaplinler FSK22

Ø 6 mm, Ø 10 mm veya Ø 12 mm şaftlı döner enkoder için

WK22 Kupplung Drehgeber
WK22

Spiral kaplinler WK22

Ø 6 mm şaftlı döner enkoder için

WK24 Kupplung Drehgeber
WK24

Spiral kaplinler WK24

Ø 6 mm, Ø 8 mm, Ø 10 mm veya Ø 12 mm şaftlı döner enkoder için.

WK32 Kupplung Drehgeber
WK32

Spiral kaplinler WK32

Ø 6 mm veya Ø 10 mm şaftlı döner enkoder için.

BK29 Kupplung Drehgeber
BK29

Körük kaplinler BK29

Ø 6 mm, 8 mm, 10 mm veya 12 mm şaftlı döner enkoder için*.
Azami şaft deplasmanı, radyal: ± 0,25 mm veya ± 0,30 mm*
Torsiyon yayı gerginliği: 150 Nm/rad veya 130 Nm/rad*

FB29B Kupplung Drehgeber
FB29B

Körük kaplinler FB29B

Ø 4 mm, 6 mm, 8 mm, 10 mm veya Ø 12 mm şaftlı döner enkoder için

DSK29 DSKF29 Kupplung Drehgeber
DSK29

Çift döngülü kaplin DSK29

Ø 6 mm, 8 mm, veya 10 mm şaftlı döner enkoder için.
Hareketli aksam yok, ısıl ve elektrik yalıtımlı, sessiz çalıma, bakım gerektirmez.
Aşağıdakilere güçlü direnç:
Benzin, yağ, benzen, toluen, aromatik veya aromatik olmayan hidrokarbonlar, alkoller, glikol, solventler ve birçok kimyasal.

DSK38 Kupplung Drehgeber
DSK38

Çift döngülü kaplin DSK38

Ø 6 mm, 8 mm, 10 mm veya 12 mm şaftlı döner enkoder için.
Hareketli aksam yok, ısıl ve elektrik yalıtımlı, sessiz çalıma, bakım gerektirmez.
Aşağıdakilere güçlü direnç:
Benzin, yağ, benzen, toluen, aromatik veya aromatik olmayan hidrokarbonlar, alkoller, glikol, solventler ve birçok kimyasal.

MRA200KR Messrad Drehgeber
MRA200KR

Ölçüm tekerlekleri MRA200KR

Kapsam 200 mm,
Kaplama: Tırtıllı
Kullanım alanları: Karton, ahşap, tekstil ürünleri, kauçuk, yumuşak sentetikler.
Ø 6 mm, Ø 10 mm veya Ø 12 mm şaftlı döner enkoder için.

MR200KH Messrad Drehgeber
MR200KH

Ölçüm tekerlekleri MR200KH

Kapsam 200 mm,
Kaplama: Sentetik (hytrel, düz)
Kullanım alanları: Plastik, boyalı yüzeyler, kağıt, karton, ahşap, metal, tekstil.
Ø 6 mm veya Ø 10 mm şaftlı döner enkoder için.

MRA200KH Messrad Drehgeber
MRA200KH

Ölçüm tekerlekleri MRA200KH

Kapsam 200 mm,
Kaplama: Sentetik (poliüretan, düz)
Kullanım alanları: greslenmiş metaller, çelik profiller, cilalı yüzeyler, sentetik ürünler, kağıt, karton, ahşap, tekstil ürünleri, tel, deri.
Ø 6 mm, Ø 10 mm veya Ø 12 mm şaftlı döner enkoder için.

MRA200NG Messrad Drehgeber
MRA200NG

Ölçüm tekerlekleri MRA200NG

Kapsam 200 mm,
Kaplama: Sentetik (Poliüretan, yumrulu)
Kullanım alanları: kaba tekstil ürünleri, halı, kablo ölçümü, yapağı, kağıt, karton, ahşap, sentetik ürünler.
Ø 6 mm, Ø 10 mm veya Ø 12 mm şaftlı döner enkoder için.

MR200KG Messrad Drehgeber
MR200KG

Ölçüm tekerlekleri MR200KG

Kapsam 200 mm,
Kaplama: Sentetik (hytrel, oluklu)
Kullanım alanları: Plastik, boyalı yüzeyler, kağıt, karton, ahşap, metal, tekstil.
Ø 6 mm veya Ø 10 mm şaftlı döner enkoder için.

MRA200KG Messrad Drehgeber
MRA200KG

Ölçüm tekerlekleri MRA200KG

Kapsam 200 mm,
Kaplama: Sentetik (poliüretan, oluklu)
Kullanım alanları: Greslenmemiş metal, cilalı yüzeyler, kağıt, karton, ahşap tekstil ürünleri, cam, zemin kaplamaları.
Ø 6 mm, Ø 10 mm veya Ø 12 mm şaftlı döner enkoder için.

MR150GR Messrad Drehgeber Measuring wheel encoder
MR150GR06

Ölçüm tekerleği MR150GR06

Kapsam: 150 mm,
Kaplama: O-Ring 3,5 mm breit, Material NBR70
Kullanım alanları: Ahşap, metal, taşıma bantları, kağıt, tekstil.
Ø 6 mm şaftlı döner enkoder için.

MR500KG Messrad Drehgeber
MR500KG

Ölçüm tekerleği MR500KG

Kapsam 500 mm,
Kaplama: Sentetik (hytrel, oluklu)
Kullanım alanları: Plastik, boyalı yüzeyler, kağıt, karton, ahşap, metal, tekstil.
Ø 10 mm şaftlı döner enkoder için.

MRA500KR Messrad Drehgeber
MRA500KR

Ölçüm tekerlekleri MRA500KR

Kapsam 500 mm,
Kaplama: Tırtıllı
Kullanım alanları: karton, ahşap, tekstil ürünleri, yumuşak sentetikler, kauçuk .
Ø 10 mm veya Ø 12 mm şaftlı döner enkoder için.

MRA500KH Messrad Drehgeber
MRA500KH

Ölçüm tekerlekleri MRA500KH

Kapsam 200 mm,
Kaplama: Sentetik (poliüretan, düz)
Kullanım alanları: greslenmiş metaller, çelik profiller, cilalı yüzeyler, sentetik ürünler, kağıt, karton, ahşap, tekstil ürünleri, tel, deri.
Ø 10 mm veya Ø 12 mm şaftlı döner enkoder için.

MR500KH Messrad Drehgeber
MR500KH

Ölçüm tekerleği MR500KH

Kapsam 500 mm,
Kaplama: Sentetik (hytrel, düz)
Kullanım alanları: Plastik, boyalı yüzeyler, kağıt, karton, ahşap, metal, tekstil.
Ø 10 mm şaftlı döner enkoder için.

MRA500KG Messrad Drehgeber
MRA500KG

Ölçüm tekerlekleri MRA500KG

Kapsam 500 mm,
Kaplama: Sentetik (poliüretan, oluklu)
Kullanım alanları: Greslenmemiş metal, cilalı yüzeyler, kağıt, karton, ahşap tekstil ürünleri, cam, zemin kaplamaları.
Ø 10 mm veya Ø 12 mm şaftlı döner enkoder için.

MR500KV Messrad Drehgeber
MR500KV

Ölçüm tekerleği MR500KV

Kapsam 500 mm,
Kaplama: Sentetik (Vulkollan®, düz)
Kullanım alanları: Sentetik ürünler, cilalı yüzeyler, kağıt, karton, ahşap, metaller, tel.
Ø 10 mm şaftlı döner enkoder için.

MRA500NG Messrad Drehgeber
MRA500NG

Ölçüm tekerlekleri MRA500NG

Kapsam 500 mm,
Kaplama: Sentetik (Poliüretan, yumrulu)
Kullanım alanları: kaba tekstil ürünleri, halı, kablo ölçümü, yapağı, kağıt, karton, ahşap, sentetik ürünler. 
Ø 10 mm veya Ø 12 mm şaftlı döner enkoder için.

MRA200GR Messrad Drehgeber Measuring wheel encoder
MRA200GR10

Ölçüm tekerleği MRA200GR10

Çevresi: 200 mm,
Astar: 3,5 mm genişliğinde O-ring, malzeme NBR70
Uygulama alanları: Ahşap, boyalı yüzeyler, kağıt, plastik.
Ø 10 mm şaftlı döner enkoderler için.

distributors
For further information please contact our local distributor.
Here you find a list of our distributors worldwide
Bir teklif almak ya da geri aranmak istiyorsunuz. Talep