Smartphone (NFC) ile yapılandırılabilen Enkoder artımlı,
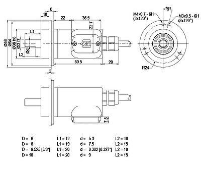
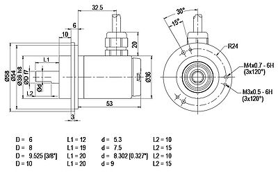
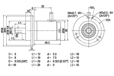
Geçmeli Flanş / Gövde Çapı 58 mm
Mil Çapı: 6 mm, 8 mm, 3/8" (9.525 mm), 10 mm,
Çözünürlük: NFC ile yapılandırılabilen 16384 PPR'ye kadar,
NFC ile yapılandırılabilen çıkış devresi: HTL / TTL, / RS 422 uyumlu,
İşlev ilkesi: manyetik
- Yüksek kaliteli elektronikler sayesinde 16384'e kadar herhangi bir sayıda darbe NFC üzerinden yapılandırılabilir
- NFC ile yapılandırılabilir HTL/TTL
- Koruma sınıfı IP67, şaft girişinde IP65
- 1 MHz'e kadar yüksek çıkış frekansı
- 4,75 VDC ila 32 VDC'de ters polarite koruması ve kısa devre koruması
Not: Dikkat: Seçenek yok AAO = Tam IP67
Şaft uzunluğu: L: 12 mm
Azami şaft yükü, radyal: 125 N
Azami şaft yükü, eksenel: 120 N
Not: Dikkat: Seçenek yok AAO = Tam IP67
Şaft uzunluğu: L: 19 mm
Azami şaft yükü, radyal: 125 N
Azami şaft yükü, eksenel: 120 N
Not: Dikkat: Seçenek yok AAO = Tam IP67
Şaft uzunluğu: L: 20 mm
Azami şaft yükü, radyal: 220 N
Azami şaft yükü, eksenel: 120 N
Şaft uzunluğu: L: 20 mm
Azami şaft yükü, radyal: 220 N
Azami şaft yükü, eksenel: 120 N
Öz güç tüketimi: typ. 80 mA
Nullimpuls setzen:
Setzen: SET = +UB für 2 s
Deaktiviert: SET = GND
Configurable via NFC:
BASIC: (BAS)
Kanallar:
ABN ve ters çevrimli sinyaller
HTL / TTL
serbestçe seçilebilir
Pulses / revolution:
1 PPR to 16384 PPR freely selectable
Advanced (ADV):
Kanallar:
4 kanal yapılandırılabilir + ters çevrilmiş sinyaller (ABN mümkün)
HTL / TTL:
serbestçe seçilebilir
Pulses / revolution:
1 PPR to 16384 PPR freely selectable
Number of pulses for each channel:
individually selectable
Sıfır darbe ayarla:
Evet
Pulse width and position:
Width and position adjustable
Çevre verileri
Noise immunity:
ESD (DIN EN 61000-4-2):
8 kV
EMC:
(DIN EN 61000-4-3):
10 V/m
Burst (DIN EN 61000-4-4):
2 kV
High frequency fields
(DIN EN 61000-4-6):
10 V
Surge (DIN EN 61000-4-5):
2 kV
Radio interference:
DIN EN 55011 uyarınca
NFC:
EMC:
ETSI EN 301 489 uyarınca
RED:
ETSI EN 300 330 uyarınca
Electrical safety:
DIN EN 61010-1 (VDE 0411-1) / IEC 61010-1 / UL 61010-1 / CSA C22.0 No 61010-1-12
Titreşim:
(DIN EN 60068-2-6)
300 m/s2 (10 Hz up to 2000 Hz)
Shock:
(DIN EN 60068-2-27)
1000 m/s2 (6 ms)
Customs information
Customs tariff number:
90318020
Country of origin:
Germany
Talep ettiğiniz STEP dosyası belirtilmemiş:
STEP dosyası talebi burada
| Tanımlama | ABN ters çevirim mümkün | |
|---|---|---|
| L2 | eksenel, Ekran enkoder gövdesine kabloyla bağlı | ● |
| L2 | |
| Devre | BAS |
| GND | WH |
| (+) Vcc | BN |
| A | GN |
| B | YE |
| N | GY |
| A ters çev. | RD |
| B ters çev. | BK |
| N ters çev. | VT |
| Ekran | Tel |
Talep ettiğiniz STEP dosyası belirtilmemiş:
STEP dosyası talebi burada
| Tanımlama | ABN ters çevirim mümkün | |
|---|---|---|
| L2 | eksenel, Ekran enkoder gövdesine kabloyla bağlı | ● |
| L2 | |
| Devre | ADV |
| GND | WH |
| (+) Vcc | BN |
| CH1 | GN |
| CH2 | YE |
| CH3 | GY |
| CH4 | GYPK |
| SET | PK |
| CH1 ters çev. | RD |
| CH2 ters çev. | BK |
| CH3 ters çev. | VT |
| CH4 ters çev. | RDBU |
| Ekran | Tel |
Talep ettiğiniz STEP dosyası belirtilmemiş:
STEP dosyası talebi burada
| Tanımlama | ABN ters çevirim mümkün | |
|---|---|---|
| L3 | radyal, Ekran enkoder gövdesine kabloyla bağlı | ● |
| L3 | |
| Devre | BAS |
| GND | WH |
| (+) Vcc | BN |
| A | GN |
| B | YE |
| N | GY |
| A ters çev. | RD |
| B ters çev. | BK |
| N ters çev. | VT |
| Ekran | Tel |
Talep ettiğiniz STEP dosyası belirtilmemiş:
STEP dosyası talebi burada
| Tanımlama | ABN ters çevirim mümkün | |
|---|---|---|
| L3 | radyal, Ekran enkoder gövdesine kabloyla bağlı | ● |
| L3 | |
| Devre | ADV |
| GND | WH |
| (+) Vcc | BN |
| CH1 | GN |
| CH2 | YE |
| CH3 | GY |
| CH4 | GYPK |
| SET | PK |
| CH1 ters çev. | RD |
| CH2 ters çev. | BK |
| CH3 ters çev. | VT |
| CH4 ters çev. | RDBU |
| Ekran | Tel |
Talep ettiğiniz STEP dosyası belirtilmemiş:
STEP dosyası talebi burada
| Tanımlama | ABN ters çevirim mümkün | |
|---|---|---|
| K1 | radyal, Ekran açık (IP40) | ● |
| K1 | |
| Devre | BAS |
| GND | WH |
| (+) Vcc | BN |
| A | GN |
| B | YE |
| N | GY |
| A ters çev. | RD |
| B ters çev. | BK |
| N ters çev. | VT |
| Ekran | Tel |
Talep ettiğiniz STEP dosyası belirtilmemiş:
STEP dosyası talebi burada
| Tanımlama | ABN ters çevirim mümkün | |
|---|---|---|
| K1 | radyal, Ekran açık (IP40) | ● |
| K1 | |
| Devre | ADV |
| GND | WH |
| (+) Vcc | BN |
| CH1 | GN |
| CH2 | YE |
| CH3 | GY |
| CH4 | GYPK |
| SET | PK |
| CH1 ters çev. | RD |
| CH2 ters çev. | BK |
| CH3 ters çev. | VT |
| CH4 ters çev. | RDBU |
| Ekran | Tel |
Talep ettiğiniz STEP dosyası belirtilmemiş:
STEP dosyası talebi burada
| Tanımlama | ABN ters çevirim mümkün | |
|---|---|---|
| SB8 | eksenel, 8 kutuplu, Fiş enkoder gövdesine kabloyla bağlı | ● |
Talep ettiğiniz STEP dosyası belirtilmemiş:
STEP dosyası talebi burada
| Tanımlama | ABN ters çevirim mümkün | |
|---|---|---|
| SB12 | eksenel, 12 kutuplu, Fiş enkoder gövdesine kabloyla bağlı | ● |
Talep ettiğiniz STEP dosyası belirtilmemiş:
STEP dosyası talebi burada
| Tanımlama | ABN ters çevirim mümkün | |
|---|---|---|
| SC8 | radyal, 8 kutuplu, Fiş enkoder gövdesine kabloyla bağlı | ● |
Talep ettiğiniz STEP dosyası belirtilmemiş:
STEP dosyası talebi burada
| Tanımlama | ABN ters çevirim mümkün | |
|---|---|---|
| SC12 | radyal, 12 kutuplu, Fiş enkoder gövdesine kabloyla bağlı | ● |
yapılandırılabilir 1-16384 PPR
Enkoder WDGN 58B yüksek IP67 koruma sınıfıyla da teslim edilebilir.
(full IP67 only connection SB, SC, L2 or L3 version; not cable connection K1 = IP40).
Azami çalışma hızı: 3500 dev/dak.
İzin verilen yatak yükleri: radyal 110 N, eksenel 100 N
Başlangıç torku: oda sıcaklığında yakl. 4 Ncm
Sipariş sırasında, lütfen sipariş numarasını boyu desimetre olarak belirten 3 basamaklı bir sayıyla tamamlayın.
Örnek: 5 m kablo uzunluğu = 050
Download Wachendorff App IOS Encoder WDGN
By downloading and using software and apps
from this homepage, I agree to the GTC and
the supplementary software clause.
Downloadlink Wachendorff App Android encoder WDGN
By downloading and using software and apps
from this homepage, I agree to the GTC and
the supplementary software clause.
Downloadlink Wachendorff App Huawei Encoder WDGN
By downloading and using software and apps
from this homepage, I agree to the GTC and
the supplementary software clause.

NFC configurable via Wachendorff App (IOS, Android, Huawei)

The future of steel production with smart sensor technology.

for Wachendorff Automation GmbH & Co. KG.

Artımlı enkoder için sayaç, 1 MHz
Artımlı enkoder sinyalleri için Yüksek Hızlı konum sayaçları ve diferansiyel sayaçlar

Female connector KI-8-67:
Suitable for encoder with sensor connector outlet SB8 and SC8, 8 pin, IP67
Ready-made shielded connection cable with female cable connector straight,
shield connected.

Female connector KIA-8-67:
Suitable for encoder with sensor connector outlet SB8 and SC8, 8 pin, IP67
Ready-made shielded connection cable with female cable connector angular,
shield connected.

Female connector KI-12-67-ADV:
Suitable for encoder WDGN configurable via NFC with sensor connector outlet SB12 and SC12, 12 pin, IP67
Ready-made shielded connection cable with female cable connector straight,
shield connected.

Female connector KIA-12-67-ADV:
Suitable for encoder WDGN configurable via NFC with sensor connector outlet SB12 and SC12, 12 pin, IP67
Ready-made shielded connection cable with female cable connector angular,
shield connected.

Gergi eksantriği SP-3-00
Artımlı döner enkoder WDG 40A, 50B, 58T, WDGI 58A, 58B, 58C, 58D, 58K, 63B, WDGP 36A, WDGP 58A, WDGP 58B uve mutlak döner enkoder WDGA 36A, WDGA 58A, WDGA 58B'ye uygun.

Yaylı rondela tipi kaplinler FSK22
Ø 6 mm, Ø 10 mm veya Ø 12 mm şaftlı döner enkoder için

Spiral kaplinler WK24
Ø 6 mm, Ø 8 mm, Ø 10 mm veya Ø 12 mm şaftlı döner enkoder için

Spiral kaplinler WK32

Körük kaplinler BK29
Ø 6 mm, 8 mm, 10 mm veya 12 mm şaftlı döner enkoder için*.
Azami şaft deplasmanı, radyal: ± 0,25 mm veya ± 0,30 mm*
Torsiyon yayı gerginliği: 150 Nm/rad veya 130 Nm/rad*

Körük kaplinler FB29B
Ø 4 mm, 6 mm, 8 mm, 10 mm veya Ø 12 mm şaftlı döner enkoder için

Çift döngülü kaplin DSK29
Ø 6 mm, 8 mm, veya 10 mm şaftlı döner enkoder için.
Hareketli aksam yok, ısıl ve elektrik yalıtımlı, sessiz çalıma, bakım gerektirmez.
Aşağıdakilere güçlü direnç:
Benzin, yağ, benzen, toluen, aromatik veya aromatik olmayan hidrokarbonlar, alkoller, glikol, solventler ve birçok kimyasal.

Çift döngülü kaplin DSK38
Ø 6 mm, 8 mm, 10 mm veya 12 mm şaftlı döner enkoder için.
Hareketli aksam yok, ısıl ve elektrik yalıtımlı, sessiz çalıma, bakım gerektirmez.
Aşağıdakilere güçlü direnç:
Benzin, yağ, benzen, toluen, aromatik veya aromatik olmayan hidrokarbonlar, alkoller, glikol, solventler ve birçok kimyasal.

Yaylı kol 58B, 58D, 58K, 58N ve 58T döner enkoderleri için.
uzunluk ölçümü için

Yaylı kol 58B, 58D, 58K, 58N ve 58T döner enkoderleri için.

Yaylı kol 58B, 58D, 58K, 58N ve 58T döner enkoderleri için.
uzunluk ölçümü için
STEP download WDGMA10000_A
STEP download WDGMA10000_B
STEP download WDGMA10000_C

Çizgisel kompansasyonlu döner enkoder tutucu 58B, 58D, 58K, 58N ve 58T döner enkoderleri için.
uzunluk ölçümü için

Ölçüm tekerleği MR150GR06
Kapsam: 150 mm,
Kaplama: O-Ring 3,5 mm breit, Material NBR70
Kullanım alanları: Ahşap, metal, taşıma bantları, kağıt, tekstil.
Ø 6 mm şaftlı döner enkoder için.

Ölçüm tekerlekleri MR200KR
Kapsam 200 mm,
Kaplama: Tırtıllı
Kullanım alanları: Karton, ahşap, (tekstil).
Ø 6 mm veya Ø 10 mm şaftlı döner enkoder için.

Ölçüm tekerlekleri MRA200KR
Kapsam 200 mm,
Kaplama: Tırtıllı
Kullanım alanları: Karton, ahşap, tekstil ürünleri, kauçuk, yumuşak sentetikler.
Ø 6 mm, Ø 10 mm veya Ø 12 mm şaftlı döner enkoder için.

Ölçüm tekerlekleri MR200KH
Kapsam 200 mm,
Kaplama: Sentetik (hytrel, düz)
Kullanım alanları: Plastik, boyalı yüzeyler, kağıt, karton, ahşap, metal, tekstil.
Ø 6 mm veya Ø 10 mm şaftlı döner enkoder için.

Ölçüm tekerlekleri MRA200KH
Kapsam 200 mm,
Kaplama: Sentetik (poliüretan, düz)
Kullanım alanları: greslenmiş metaller, çelik profiller, cilalı yüzeyler, sentetik ürünler, kağıt, karton, ahşap, tekstil ürünleri, tel, deri.
Ø 6 mm, Ø 10 mm veya Ø 12 mm şaftlı döner enkoder için.

Ölçüm tekerlekleri MR200NG
Kapsam 200 mm,
Kaplama: Desenli kauçuk
Kullanım alanları: tekstil.
Ø 6 mm veya Ø 10 mm şaftlı döner enkoder için.

Ölçüm tekerlekleri MRA200NG
Kapsam 200 mm,
Kaplama: Sentetik (Poliüretan, yumrulu)
Kullanım alanları: kaba tekstil ürünleri, halı, kablo ölçümü, yapağı, kağıt, karton, ahşap, sentetik ürünler.
Ø 6 mm, Ø 10 mm veya Ø 12 mm şaftlı döner enkoder için.

Ölçüm tekerlekleri MR200KG
Kapsam 200 mm,
Kaplama: Sentetik (hytrel, oluklu)
Kullanım alanları: Plastik, boyalı yüzeyler, kağıt, karton, ahşap, metal, tekstil.
Ø 6 mm veya Ø 10 mm şaftlı döner enkoder için.

Ölçüm tekerlekleri MRA200KG
Kapsam 200 mm,
Kaplama: Sentetik (poliüretan, oluklu)
Kullanım alanları: Greslenmemiş metal, cilalı yüzeyler, kağıt, karton, ahşap tekstil ürünleri, cam, zemin kaplamaları.
Ø 6 mm, Ø 10 mm veya Ø 12 mm şaftlı döner enkoder için.

Ölçüm tekerlekleri MRA500KR
Kapsam 500 mm,
Kaplama: Tırtıllı
Kullanım alanları: karton, ahşap, tekstil ürünleri, yumuşak sentetikler, kauçuk .
Ø 10 mm veya Ø 12 mm şaftlı döner enkoder için.

Ölçüm tekerleği MR500KR
Kapsam 500 mm,
Kaplama: Tırtıllı
Kullanım alanları: Karton, ahşap, (tekstil).
Ø 10 mm şaftlı döner enkoder için.

Ölçüm tekerleği MR500KH
Kapsam 500 mm,
Kaplama: Sentetik (hytrel, düz)
Kullanım alanları: Plastik, boyalı yüzeyler, kağıt, karton, ahşap, metal, tekstil.
Ø 10 mm şaftlı döner enkoder için.

Ölçüm tekerlekleri MRA500KH
Kapsam 200 mm,
Kaplama: Sentetik (poliüretan, düz)
Kullanım alanları: greslenmiş metaller, çelik profiller, cilalı yüzeyler, sentetik ürünler, kağıt, karton, ahşap, tekstil ürünleri, tel, deri.
Ø 10 mm veya Ø 12 mm şaftlı döner enkoder için.

Ölçüm tekerleği MR500KG
Kapsam 500 mm,
Kaplama: Sentetik (hytrel, oluklu)
Kullanım alanları: Plastik, boyalı yüzeyler, kağıt, karton, ahşap, metal, tekstil.
Ø 10 mm şaftlı döner enkoder için.

Ölçüm tekerlekleri MRA500KG
Kapsam 500 mm,
Kaplama: Sentetik (poliüretan, oluklu)
Kullanım alanları: Greslenmemiş metal, cilalı yüzeyler, kağıt, karton, ahşap tekstil ürünleri, cam, zemin kaplamaları.
Ø 10 mm veya Ø 12 mm şaftlı döner enkoder için.

Ölçüm tekerleği MR500KV
Kapsam 500 mm,
Kaplama: Sentetik (Vulkollan®, düz)
Kullanım alanları: Sentetik ürünler, cilalı yüzeyler, kağıt, karton, ahşap, metaller, tel.
Ø 10 mm şaftlı döner enkoder için.

Ölçüm tekerleği MR500NG
Kapsam 500 mm
Kaplama: Desenli kauçuk
Kullanım alanları: tekstil.
Ø 10 mm şaftlı döner enkoder için.

Ölçüm tekerlekleri MRA500NG
Kapsam 500 mm,
Kaplama: Sentetik (Poliüretan, yumrulu)
Kullanım alanları: kaba tekstil ürünleri, halı, kablo ölçümü, yapağı, kağıt, karton, ahşap, sentetik ürünler.
Ø 10 mm veya Ø 12 mm şaftlı döner enkoder için.

Ölçüm tekerleği MRA200GR10
Çevresi: 200 mm,
Astar: 3,5 mm genişliğinde O-ring, malzeme NBR70
Uygulama alanları: Ahşap, boyalı yüzeyler, kağıt, plastik.
Ø 10 mm şaftlı döner enkoderler için.
Here you find a list of our distributors worldwide













































